Operation CHARM: Car repair manuals for everyone.
Manuals through 2025 now available!

Our trusted friends have launched a new website named LEMON, which has newer manuals. It also contains all the CHARM manuals.

LEMON is the spiritual successor to CHARM, I recommend you try it!

Link: lemon-manuals.la or lemon-manuals.org.ua

(Some people have issue connecting. LEMON is investigating. For now, use Firefox or change your DNS server)

Or, hide this message: temporarily or permanently

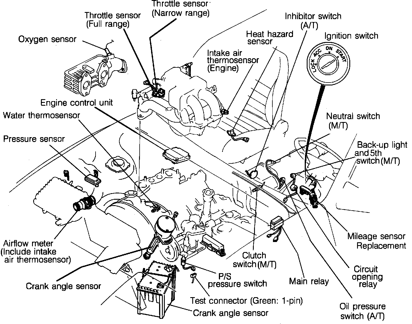
Component Locations

Fig. 6 Component Locations:




Fig. 7 Component Locations:





ACCELERATED WARM-UP SOLENOID
Mounted to back of the engine block at the top.

ANTI-AFTERBURN VALVE
Intergrated into the Air Control Valve, mounted to the right side of the intake manifold.

AIR CONTROL VALVE
Mounted to the right side of the intake manifold.

AIR FLOW METER
Mounted on the air cleaner box.

ATMOSPHERIC PRESSURE SENSOR
Integrated into the ECU.

BY-PASS AIR CONTROL (BAC) VALVE
Mounted on the back of the throttle chamber.

BY-PASS AIR CONTROL (BAC) VALVE SOLENOID
Mounted on the bottom of the throttle chamber.

CRANK ANGLE SENSOR
Mounted to the front of the engine on the left side.

CHECK CONNECTORS
GREEN 6-Pin connector (for self-diagnosis checker) L.F. corner of the engine compartment near the ignition coils.
YELLOW 2-Pin connector (for fuel pump) L.F. corner of the engine compartment near the ignition coils.

CIRCUIT OPENING RELAY
Located in the drivers compartment behind the knee bolster.

CLUTCH SWITCH
Mounted to the control pedal bracket in the drivers compartment.

EGI MAIN FUSE
Located in the main fuse panel in front of the L.F. strut tower.

EGI MAIN RELAY
Mounted to the left inner fenderwell near the firewall.

ENGINE CONTROL UNIT
Located in the front passenger's footwell area.

FIFTH (5th) SWITCH M/T ONLY)
Screwed into the L.H. side of the transmission (it is the rear switch.

FUEL PUMP
Located in the fuel tank, on top.

IGNITION SWITCH
Mounted on the steering column.

INJECTOR
PRIMARY - In the intermediate housing.
SECONDARY - In the exten manifold.

INTAKE AIR THERMOSENSOR (2)
One located in the air flow meter and one in the air intake chamber at the back on the left side.

MAIN RELAY
Mounted to the inner fenderwell at the L.R. corner of the engine compartment.

MALFUNCTION INDICATOR LIGHT (MIL)
Located in the instrument cluster.

NEUTRAL SWITCH M/T ONLY)
Screwed into the L.H. side of the transmission (it is the front switch.

OXYGEN SENSOR
Screwed into the exhaust manifold.

PRESSURE SENSOR
Mounted to the front of the R.F. strut tower.

POWER STEERING LOAD SWITCH
Screwed into the high-pressure line at the steering pump.

PURGE CONTROL SOLENOID
Mounted on the L.F. frame rail near the battery.

STOP LIGHT SWITCH
Mounted to the control pedal bracket in the drivers compartment.

TEST CONNECTOR
GREEN 1-Pin connector (for self-diagnosis checker, idle speed and timing adjustment) L.F. corner of the engine compartment.

THROTTLE SENSOR
Integrated with the idle switch. Mounted on the throttle chamber.

WATER THERMOSENSOR
Screwed into the front of the engine.