Compressor Cut-Off Relay
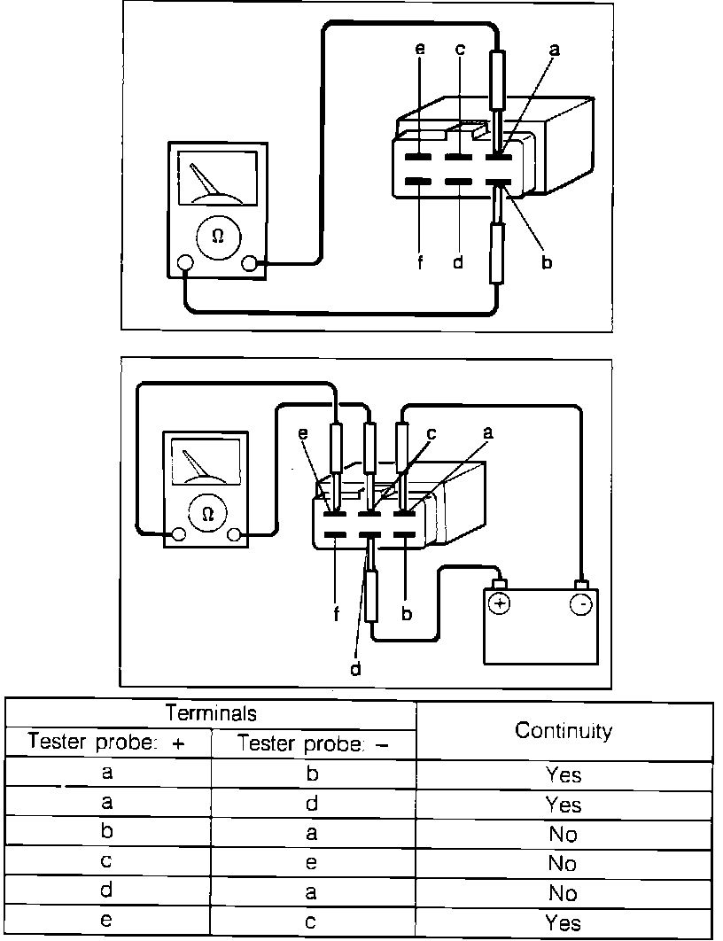
A/C RELAYA/C Relay Testing:
1. Disconnect relay connector.
2. Check continuity between relay terminals as described on image chart.
3. If not as specified, replace relay.
4. If okay, proceed to next step.
5. Apply 12V to terminal "d" and ground terminal "a."
6. Check that continuity exists between terminals "e" and "c."
7. If not as specified, replace relay.
A/C relay output voltage can be checked at ECU terminal 1J. With ignition switch "ON," voltage should be approximately 12V. At idle with A/C switch "ON," voltage should be below 2.5V. At idle with A/C switch "OFF," voltage should be approximately 12V.
CUT-OFF SYSTEM
A/C Cut-Off System Testing:
1. Warm engine to operating temperature and run at idle.
2. Turn blower and A/C switches "ON."
3. Disconnect throttle sensor connector.
4. Connect sensor harness terminals with a jumper wire as shown and check that condenser fan stops for approximately 10 seconds.
NOTE: Compressor clutch and condenser fan operate in unison. "ATX" connector: automatic transmission vehicle. "MTX" connector: manual transmission vehicle.
5. If system does not operate as specified, check wiring, connections and individual components.
6. Check ECU output voltages for A/C relay, blower motor switch and A/C switch. If not correct and no other problem is detected, suspect a defective ECU.