Operation CHARM: Car repair manuals for everyone.
Manuals through 2025 now available!

Our trusted friends have launched a new website named LEMON, which has newer manuals. It also contains all the CHARM manuals.

LEMON is the spiritual successor to CHARM, I recommend you try it!

Link: lemon-manuals.la or lemon-manuals.org.ua

(Some people have issue connecting. LEMON is investigating. For now, use Firefox or change your DNS server)

Or, hide this message: temporarily or permanently

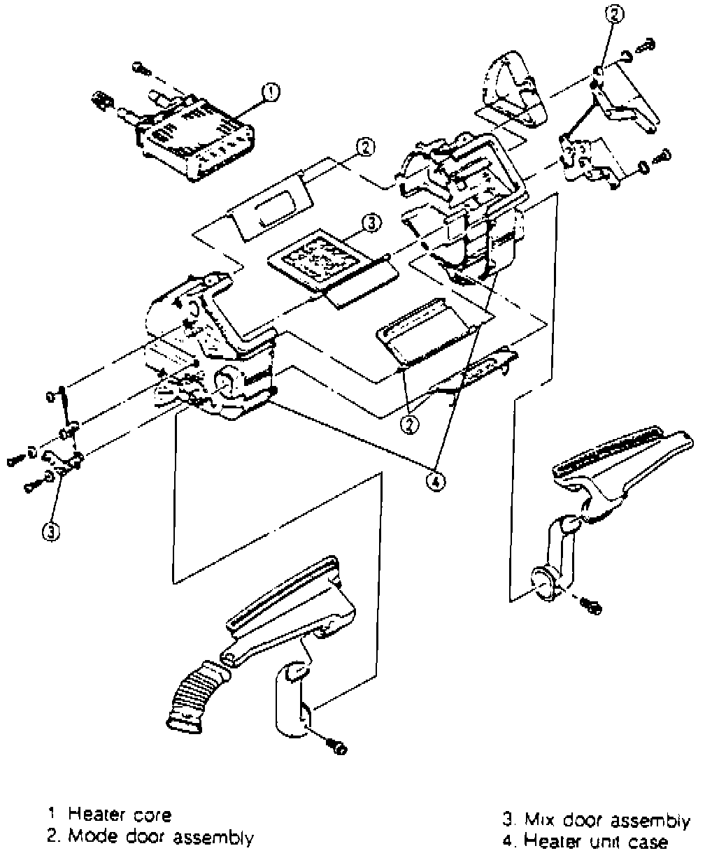
Disassembly and Assembly

Fig. 8 Exploded View Of Heater Unit:






1. Remove the heater core (1).
2. Remove the mode door (2) assembly.
3. Remove the mix door (3) assembly.
4. Separate and remove the heater unit (4) case.
5. Inspect the heater core for cracks, damage and signs of water leakage.
6. Check for bent fins and distorted and/or bent inlet pipes, replace as necessary.
7. Assemble in reverse order.