Operation CHARM: Car repair manuals for everyone.
Manuals through 2025 now available!

Our trusted friends have launched a new website named LEMON, which has newer manuals. It also contains all the CHARM manuals.

LEMON is the spiritual successor to CHARM, I recommend you try it!

Link: lemon-manuals.la or lemon-manuals.org.ua

(Some people have issue connecting. LEMON is investigating. For now, use Firefox or change your DNS server)

Or, hide this message: temporarily or permanently

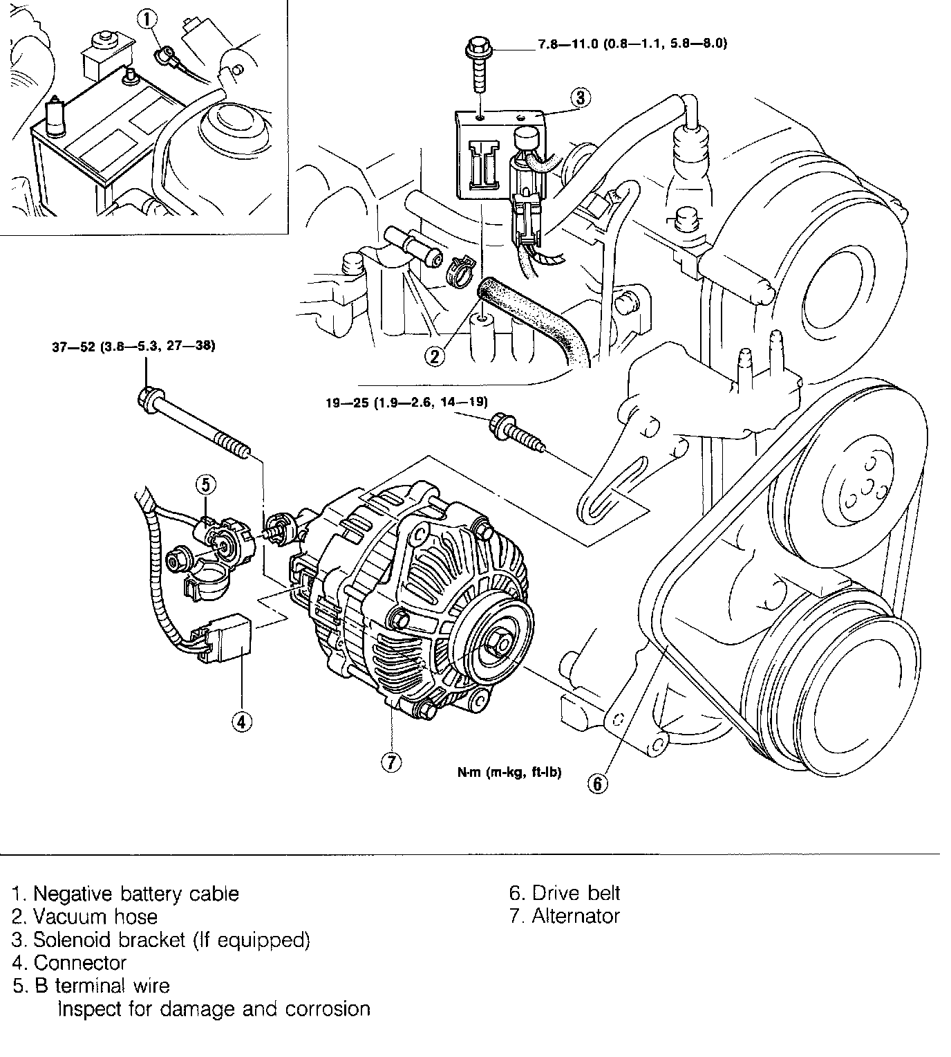
Alternator: Service and Repair






ALTERNATOR
Removal/Installation

Caution:
^ Be sure the battery connections are not reversed, because this will damage the rectifier.
^ Do not use high-voltage testers such as a megger, because they will damage the rectifier.
^ Remember that battery voltage is always applied to the alternator B terminal.
^ Do not ground the L terminal while the engine is running.
^ Do not start the engine while the connector is disconnected from the L and S terminals.
1. Remove in the order shown in the figure.
2. Inspect all parts and repair or replace as necessary.
3. Install in the reverse order of removal.






Disassembly/Assembly
1. Disassemble in the order shown in the figure.
2. Inspect all parts and repair or replace as necessary.
3. Assemble in the reverse order of disassembly.