Operation CHARM: Car repair manuals for everyone.
Manuals through 2025 now available!

Our trusted friends have launched a new website named LEMON, which has newer manuals. It also contains all the CHARM manuals.

LEMON is the spiritual successor to CHARM, I recommend you try it!

Link: lemon-manuals.la or lemon-manuals.org.ua

(Some people have issue connecting. LEMON is investigating. For now, use Firefox or change your DNS server)

Or, hide this message: temporarily or permanently

Assembly

Precaution
1. All O-rings and gaskets must be replaced with the new ones included in the overhaul kit.
2. Verify that all parts are completely clean before assembly.
3. Assemble parts within 10 minutes after applying sealant.
Allow all sealant to cure at least 30 minutes after assembly before filling the transaxle with transaxle oil.
4. The bearing outer race and bearing inner race must be replaced as a unit.

Clutch hub assembly

NOTE:







- Synchronizer ring diameters are as follows.







- Synchronizer key dimensions are as follows.




1. Install the synchronizer key springs in the clutch hub with the hooks in the grooves to hold the three synchronizer keys in place.




2. Align the synchronizer ring grooves with the synchronizer key during assembly.




Secondary Shaft Assembly
1. Assemble in the order shown in the image, referring to Assembly Note.




Assembly note
Bearing inner race

1. Install the new bearing inner race with the SST.




1st gear, synchronizer ring (1st) and clutch hub assembly (1st/2nd)
1. Install the 1st gear, synchronizer ring (1st) and clutch hub assembly (1st/2nd) with the SST.




Synchronizer ring (2nd), 2nd gear, and secondary 3rd gear
1. Install the synchronizer ring (2nd), 2nd gear, and secondary 3rd gear with the SST.




Secondary 4th gear
1. Install the secondary 4th gear with the SST.




Bearing inner race (4th gear)
1. Install the new bearing inner race with the SST.




2. Measure the clearance between 1st gear and the differential drive gear.

Clearance: 0.05 - 0.28 mm (0.002 - 0.011 in.)
Maximum: 0.33 mm (0.013 in.)




3. Measure the clearance between 2nd gear and the secondary 3rd gear.

Clearance: 0.18 - 0.51 mm (0.007 - 0.020 in.)
Maximum: 0.56 mm (0.022 in.)

4. If not as specified, reassemble the secondary shaft assembly.




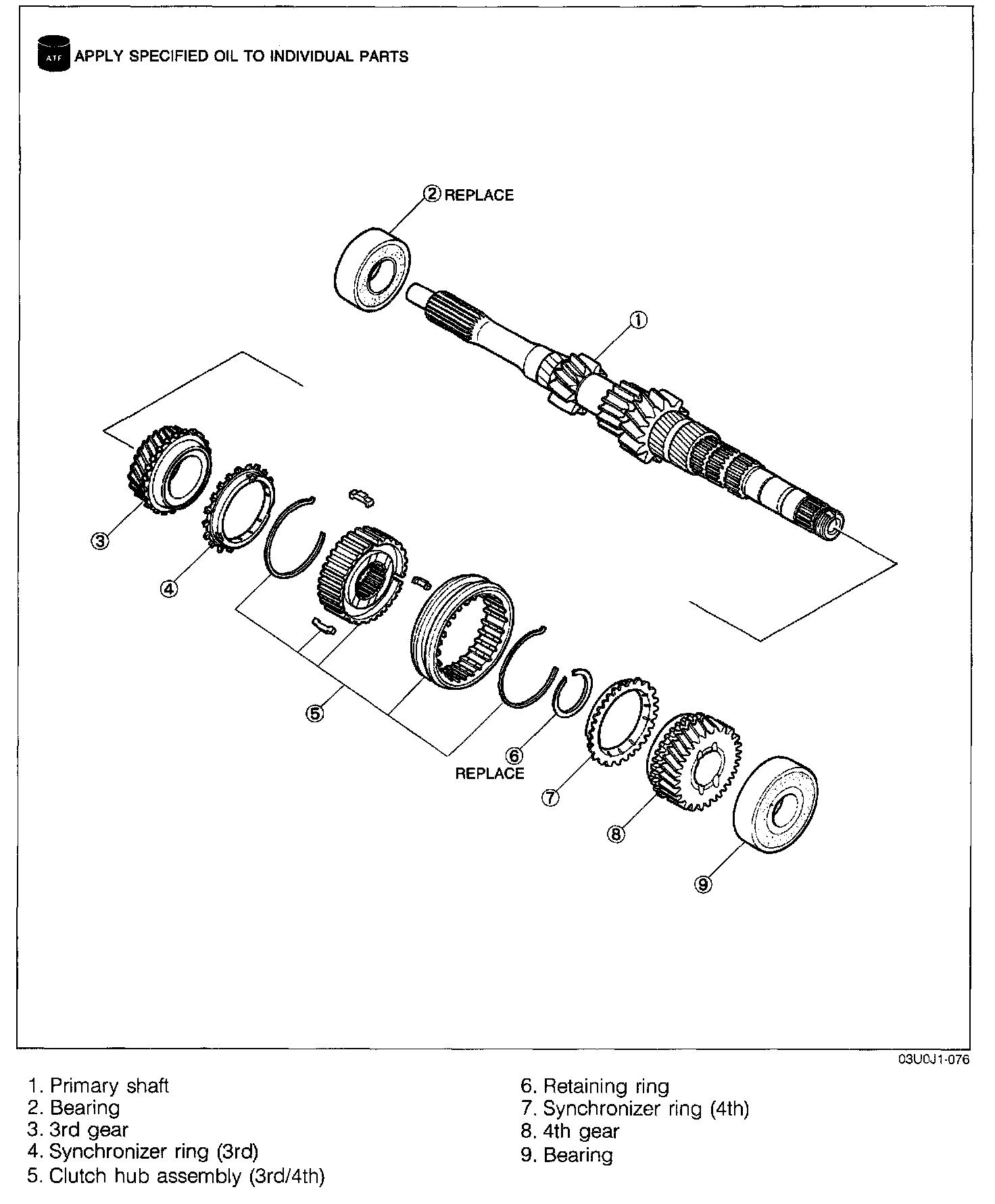
Primary Shaft Assembly
1. Assemble in the order shown in the image, referring to Assembly Note.




Assembly note
Bearing

1. Install the bearing with a press.




3rd gear, synchronizer ring (3rd), and clutch hub assembly (3rd/4th)

CAUTION: Apply transaxle oil to the bore of 3rd gear.

1. Turn the primary shaft over and install the 3rd gear, synchronizer ring (3rd), and clutch hub assembly (3rd/4th) with a press.




Synchronizer ring (4th), 4th gear, and bearing
1. Install the retaining ring.
2. Install the synchronizer ring (4th), 4th gear, and ball bearing with a press.




3. Measure the clearance between 3rd gear and 2nd gear.

Clearance: 0.06 - 0.21 mm (0.002 - 0.008 in.)
Maximum: 0.26 mm (0.010 in.)




4. Measure the clearance between 4th gear and the ball bearing.

Clearance: 0.21 - 0.61 mm (0.008 - 0.024 in.)
Maximum: 0.66 mm (0.026 in.)

5. If not as specified, reassemble the primary shaft assembly.




Clutch Housing and Transaxle Case Components
1. Select the adjust shim(s), referring to Bearing Preload Adjustment.
2. Assemble in the order shown in the image, referring to Assembly Note.




Bearing preload adjustment
Adjust the bearing preload and select the shim(s) as follows.

Primary shaft assembly
1. Set the primary shaft assembly into the clutch housing.
2. Install the transaxle case to the clutch housing and tighten the bolts to the specified torque.

Tightening torque: 19 - 26 N-m (1.9 - 2.6 m-kg, 14 - 19 ft-lb)




3. Mount a dial indicator to the transaxle hanger and measure the primary shaft thrust clearance.

Clearance: 0.005 - 0.100 mm (0.0002 - 0.0039 in.)




4. Select the closest shim on the thin side from the image.




Secondary shaft assembly
1. Install the funnel and bearing outer race into the clutch housing.
2. Set the secondary shaft into the clutch housing.




3. Install the secondary shaft bearing outer race into the transaxle case.
4. Install the transaxle case to the clutch housing and tighten the bolts to the specified torque.

Tightening torque: 19 - 26 N-m (1.9 - 2.6 m-kg, 14 - 19 ft-lb)




5. Mount a dial indicator to the transaxle case and measure the secondary shaft end play.
6. Select the shim as follows.
a. Add 0.03 mm (0.001 in.) to the thrust clearance.
b. Add 0.08 mm (0.003 in.) to the thrust clearance.




c. Select the thickest shim in the range from (a) to (b) from the image.

Example: 0.22 mm (0.009 in.)
0.22 mm (0.009 in.) + 0.03 mm (0.001 in.) = 0.25 mm (0.010 in.)
0.22 mm (0.009) + 0.08 mm (0.003 in.) = 0.30 mm (0.012 in.)
Range: 0.25 mm (0.010 in.) - 0.30 mm (0.012 in.)
Select the 0.30 mm (0.012 in.)




Differential
1. Install the bearing outer race into the clutch housing.
2. Set the differential assembly into the clutch housing.

NOTE: Turn A and B until the gap shown In the image is eliminated.




3. Install the transaxle case side bearing outer race to the SST (selector).




4. Set the SST (collars) in the positions shown in the image.




5. Tighten the SST (bolts) to the specified torque.

Tightening torque: 19 - 26 N-m (1.9 - 2.6 m-kg, 14 - 19 ft-lb)

NOTE: Turn the bars until the SST (selector) can no longer be moved.




6. To seat the bearings, mount the bars on parts (A) and (B) of the selector, and turn the selector so the gap is widened.
7. Turn in the reverse direction until the gap is eliminated.




8. Install the SST to the differential pinion gear through the transaxle case.




9. Turn the SST with a torque wrench. Adjust the SST (selector) with the bars until the specified preload is obtained.

Preload: 0.03 - 0.74 N-m (0.3 - 7.6 cm-kg, 0.26 - 6.60 in-lb)

10. Remove the SST.




11. Measure the clearance around the entire circumference of the SST (selector).




12. Select the proper adjust shim(s) to be used for the differential by referring to the image and selecting the shim which is nearest (on the thick side) to the largest measured clearance in the selector.




13. Remove the SST (bolts).
14. Remove the transaxle case and the SST (collars).




15. Remove the bearing outer race from the SST (selector).
16. Install the selected shim(s) and bearing outer race to the transaxle case.




Bearing preload (Differential)
Measure the preload as follows.
1. Set the differential assembly into the clutch housing.




2. Install the transaxle case onto the clutch housing.

Tightening torque: 19 - 26 N-m (1.9 - 2.6 m-kg, 14 - 19 ft-lb)




3. Install the SST to the differential side gear through the transaxle case.




4. Measure the bearing preload.

Preload: 0.03 - 0.74 N-m (0.3 - 7.6 cm-kg, 0.26 - 6.60 in-lb)

5. If not as specified, readjust the bearing preload.
6. Remove the SST.
7. Remove the transaxle case and differential assembly.




Assembly note
Oil seal (Speedometer driven gear assembly)

1. Install the new oil seal with a suitable pipe.

Pipe diameter: 15 mm (0.591 in.)




Roll pin (Speedometer driven gear assembly)
1. Install the new roll pin as shown in the image.




Oil seal (Differential)

CAUTION: Apply transaxle oil to the outer circumference of the oil seal.

1. Install the new oil seal with the SST.




Adjust shim and bearing outer race (Secondary shaft gear)

CAUTION:
- Use adjust shim(s) selected during bearing preload adjustment.
- Apply transaxle oil to the bearing outer race.

1. Install the adjust shim(s) and the bearing outer race with a suitable pipe.




Adjust shim and bearing outer race (Differential)

CAUTION:
- Use adjust shim(s) selected during bearing preload adjustment.
- Apply transaxle oil to the bearing outer race.

1. Install the adjust shim(s) and the bearing outer race with a suitable pipe.




Adjust shim (Primary shaft gear)

CAUTION: Use adjust shim(s) selected during bearing preload adjustment.

1. Apply transaxle oil to the adjust shim(s) and install it.




Funnel and bearing outer race (Secondary shaft gear)

CAUTION: Apply transaxle oil to the bearing outer race.

1. Install the tunnel and the bearing outer race.




Oil seal (Primary shaft gear)

CAUTION: Apply transaxle oil to outer circumference of the oil seal.

1. Install the new oil seal with a suitable pipe.




Oil seal (Change rod)

CAUTION: Apply transaxle oil to the oil seal lip.

1. Install the oil seal.




Boot and change rod assembly

CAUTION: Install the boot with the air bleed downward as shown in the image.

1. Slide the boot onto the change rod assembly.
2. Install the change rod assembly into the clutch housing.

5th/Reverse Gear and Housing Parts
1. Assemble in the order shown in the image, referring to Assembly Note.




1. Control rod
2. Control end
3. 1st/2nd shift fork
4. Control lever
5. Interlock sleeve
6. 3rd/4th shift fork
7. Clutch hub
8. Synchronizer key
9. Clutch hub sleeve
10. Synchronizer spring
11. Clutch housing
12. Differential assembly
13. Secondary shaft gear assembly
14. Primary shaft gear assembly
15. Spring
16. Steel ball
17. Shift fork and shift rod assembly
18. Crank lever assembly
19. Crank lever shaft
20. Pin
21. 5th shift rod end
22. 5th shift rod
23. Reverse idler gear
24. Reverse idler shaft
25. Magnet
26. Transaxle assembly
27. Neutral switch
28. Back-up light switch
29. Lock bolt and washer
30. Secondary 5th gear
31. Gear sleeve
32. 5th gear
33. Synchronizer ring (5th)
34. Clutch hub assembly (5th)
35. 5th shift fork
36. Stop plate
37. Locknut (Secondary shaft)
38. Locknut (Primary shaft)
39. Rear cover




Assembly note
Primary shaft gear assembly and secondary shaft gear assembly

1. Install the primary shaft gear assembly and the secondary shaft gear assembly together.




Shift fork and shift rod assembly
1. Shift to 2nd gear and position the shift fork and shift rod assembly as shown.




2. Insert the spring seat and spring into the reverse lever shaft, install the steel ball, and place a scraper so that it contacts the steel ball.
3. With the edge of the control end against the scraper, when the control end is pushed in the direction of the arrow in the image so that the ball goes into the shaft, the rod will at the same time line up with the shift rod coupling hole in the clutch housing.




4. Set each clutch hub sleeve to the neutral position, and tap the shift rod from above so that the steel ball goes into the center groove (of the 3 grooves in the control end).
5. Pull the ball part of the control end forward so that the steel ball goes into the detent in the groove.




Crank lever assembly and crank lever shaft

NOTE: Use a new O-ring for the crank lever shaft.

1. Fit the crank lever between the change arm and the control end, and connect the crank lever shaft to the crank lever.
2. Align the pin holes of the crank lever shaft and the clutch housing, and insert the new pin.




5th shift rod end and 5th shift rod

NOTE: The mark (indicated by the arrow in the image) and the shift rod end mounting bolt hole must be in the same direction.

1. Install the shift rod end (1) and the shift rod (2), and tighten the gate mounting bolt.




Reverse idler gear and reverse idler shaft
1. Install the reverse idler gear and the reverse idler shaft.
2. Attach the magnet to the clutch housing.
3. Align the end of the interlock sleeve with the control lever (indicated by the arrow), and, at the same time, face the reverse idler shaft screw hole in the direction shown in the image.




Transaxle case assembly
1. Apply a thin coat of sealant to the contact surfaces of the clutch housing and transaxle case, tighten the transaxle case installation bolts to the specified torque.

Tightening torque: 37 - 52 N-m (3.8 - 5.3 m-kg, 27 - 38 ft-lb)




Clutch hub assembly (5th) and 5th shift fork
1. Install the clutch hub assembly (5th) and the 5th shift fork together.




Locknut
1. Shift to 1st gear.
2. Lock the primary shaft with the SST.
3. Tighten new locknuts on the primary and secondary shafts.

Tightening torque: 128 - 206 N-m (13.0 - 21 m-kg, 94 - 152 ft-lb)

4. Stake the locknuts.




5. Measure the 5th gear thrust clearance with a dial indicator.

Clearance: 0.06 - 0.26 mm (0.0024 - 0.0102 in.)
Maximum: 0.31 mm (0.0122 in.)

6. If not as specified, reassemble the transaxle.