Operation CHARM: Car repair manuals for everyone.
Manuals through 2025 now available!

Our trusted friends have launched a new website named LEMON, which has newer manuals. It also contains all the CHARM manuals.

LEMON is the spiritual successor to CHARM, I recommend you try it!

Link: lemon-manuals.la or lemon-manuals.org.ua

(Some people have issue connecting. LEMON is investigating. For now, use Firefox or change your DNS server)

Or, hide this message: temporarily or permanently

EGR Valve Position Sensor: Description and Operation

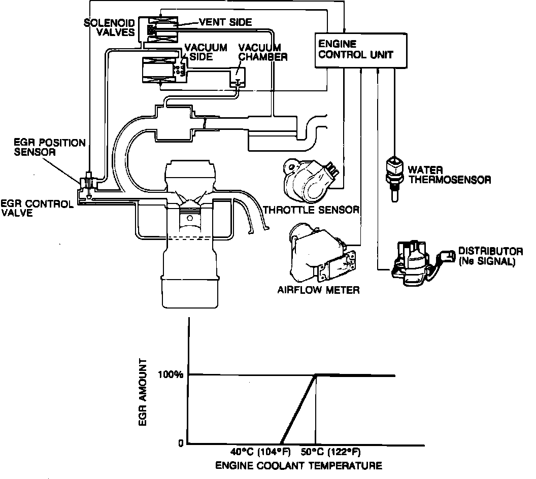
Fig. 125 EGR System Turbo:






The EGR Position Sensor is incorporated in the EGR valve assembly. It is a variable resistor that detects EGR control valve lift. The ECU utilizes this information to optimize EGR system operation through its control of the EGR vent side and vacuum side solenoid valves. The signal is also included in ECU calculations for electronic spark timing control.

For complete EGR system description, operation and testing information, refer to EMISSION CONTROLS.