Emission Control Systems: Description and Operation
Fig. 128 System Description:
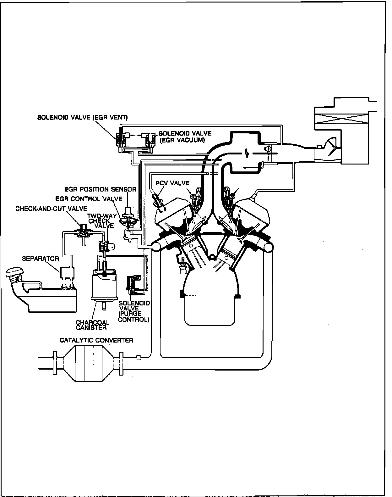
This system consists of the evaporative emission control system, EGR control system, PCV system and a catalytic converter. The purpose of these systems is to reduce CO, HC, and NOx emissions.
EVAPORATIVE EMISSION CONTROL SYSTEM (EVAP)
The evaporative emission control system stores fuel vapor generated in the fuel tank in the canister when the engine is not running. The fuel vapor is stored in the canister until it is drawn into the dynamic chamber and burned when the engine is started.
EXHAUST GAS RECIRCULATION (EGR)
The exhaust gas recirculation system introduces exhaust gas into the intake manifold to reduce NOx in the exhaust gas. It operates depending on engine load, engine speed, and coolant temperature.
POSITIVE CRANKCASE VENTILATION SYSTEM (PCV)
The PCV valve is operated by intake manifold vacuum. When the engine is running at idle, the PCV valve is opened slightly and a small amount of blow-by gas is drawn into the engine. At higher engine speeds, the PCV valve is further opened and a larger amount of blow-by gas is drawn into the engine.
THREE WAY CATALYTIC CONVERTER (TWC)
The catalytic converter is used to reduce CO, HC, and NOx. To accomplish this, the three-way converter is filled with a compound of platinum and rhodium.