Operation CHARM: Car repair manuals for everyone.
Manuals through 2025 now available!

Our trusted friends have launched a new website named LEMON, which has newer manuals. It also contains all the CHARM manuals.

LEMON is the spiritual successor to CHARM, I recommend you try it!

Link: lemon-manuals.la or lemon-manuals.org.ua

(Some people have issue connecting. LEMON is investigating. For now, use Firefox or change your DNS server)

Or, hide this message: temporarily or permanently

Disassembly/Assembly

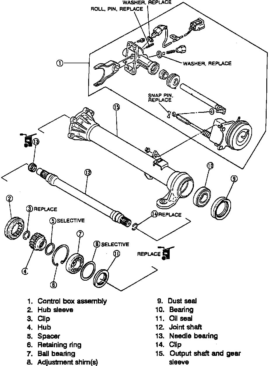
Fig. 26 Exploded View Of Automatic Freewheel Unit:





1. Disassemble automatic freewheel unit in numbered sequence, Fig. 26, noting the following:
a. Using hub remover No. 490710520 or equivalent, remove hub.
b. Using seal remover No. 49U027004 or equivalent, remove oil seal.
c. Using bearing and seal remover No. 49W027001 or equivalent, remove dust seal and bearing.
d. Measure joint shaft runout. Runout should not exceed .0012 inch.
2. Assemble automatic freewheel unit reversing numbered sequence, Fig. 26, noting the following:
a. Using oil seal installer No. 49U027006 or equivalent, install oil seal.
b. Using bearing installer No. 49U027006 or equivalent, install ball bearing.
c. Measure clearance between ball bearing and retaining ring. Clearance should not exceed .0059 inch. If clearance is not as specified, adjust by adding or removing shims.
d. Using bearing installer No. 49U027005 or equivalent, install bearing.
e. Measure clearance between hub and clip. Clearance should not exceed .0059 inch. If clearance is not as specified, adjust by adding or removing shims.