Operation CHARM: Car repair manuals for everyone.
Manuals through 2025 now available!

Our trusted friends have launched a new website named LEMON, which has newer manuals. It also contains all the CHARM manuals.

LEMON is the spiritual successor to CHARM, I recommend you try it!

Link: lemon-manuals.la or lemon-manuals.org.ua

(Some people have issue connecting. LEMON is investigating. For now, use Firefox or change your DNS server)

Or, hide this message: temporarily or permanently

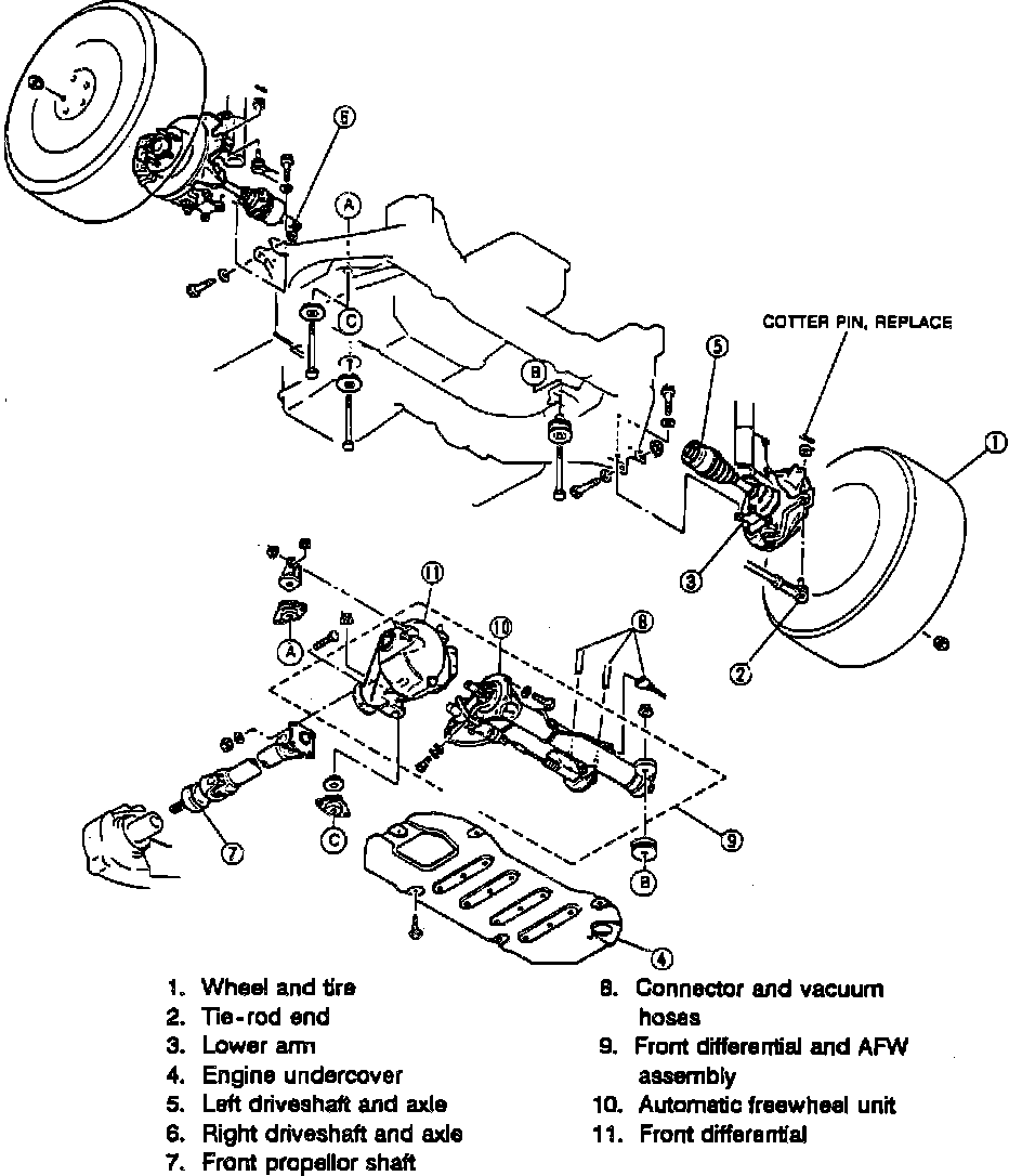
Removal/Installation

Fig. 8 Front Differential And Automatic Freewheel Unit Replacement:





Fig. 9 Front Differential Bolt/nut Replacement:





1. Remove front differential and automatic freewheel unit in numbered sequence, Fig. 8, noting the following:
a. Before removing propeller shaft, mark flanges for proper reassembly.
b. Support differential with suitable jack, then remove bolts/nuts as shown in Fig. 9.
2. Install front differential and automatic freewheel unit reversing numbered sequence, Fig. 8, noting the following:
a. Torque bolts/nuts shown in Fig. 9, to 49-72 ft. lbs.
b. Torque propeller shaft bolts to 36--43 ft. lbs.