Operation CHARM: Car repair manuals for everyone.
Manuals through 2025 now available!

Our trusted friends have launched a new website named LEMON, which has newer manuals. It also contains all the CHARM manuals.

LEMON is the spiritual successor to CHARM, I recommend you try it!

Link: lemon-manuals.la or lemon-manuals.org.ua

(Some people have issue connecting. LEMON is investigating. For now, use Firefox or change your DNS server)

Or, hide this message: temporarily or permanently

Component Locations


Component Locations:





UNDER HOOD COMPONENTS

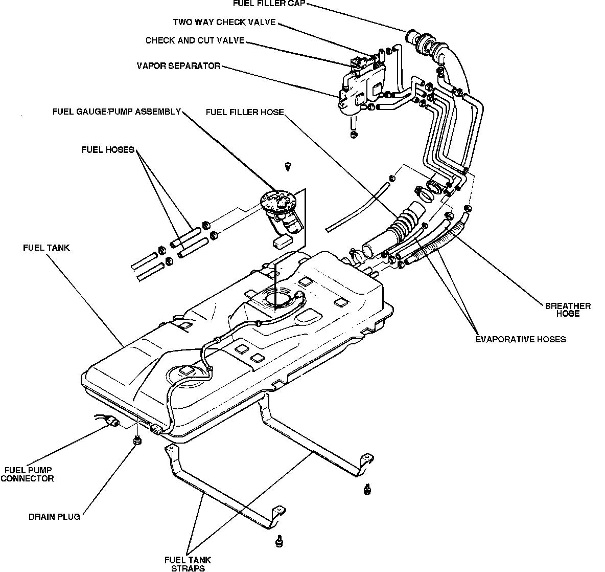
Fuel Tank Assembly:





FUEL TANK AND COMPONENTS

Engine Control Unit And Fuel Pump (Circuit Open) Relay:





FUEL PUMP RELAY (CIRCUIT OPEN RELAY)
Under the floor panel, passenger side footwell.

BYPASS AIR CONTROL VALVE
Mounted on the throttle body.

CHECK AND CUT VALVE
Mounted above the fuel tank.

FUEL FILTER
In the rear of the engine compartment, right side, beneath the intake manifold.

FUEL PRESSURE REGULATOR
Mounted on the front end of the fuel rail.

PULSATION DAMPER
Mounted on the right side of the engine block, beneath the intake manifold, near the rear of the engine.

FUEL PUMP
In the fuel tank.