Operation CHARM: Car repair manuals for everyone.
Manuals through 2025 now available!

Our trusted friends have launched a new website named LEMON, which has newer manuals. It also contains all the CHARM manuals.

LEMON is the spiritual successor to CHARM, I recommend you try it!

Link: lemon-manuals.la or lemon-manuals.org.ua

(Some people have issue connecting. LEMON is investigating. For now, use Firefox or change your DNS server)

Or, hide this message: temporarily or permanently

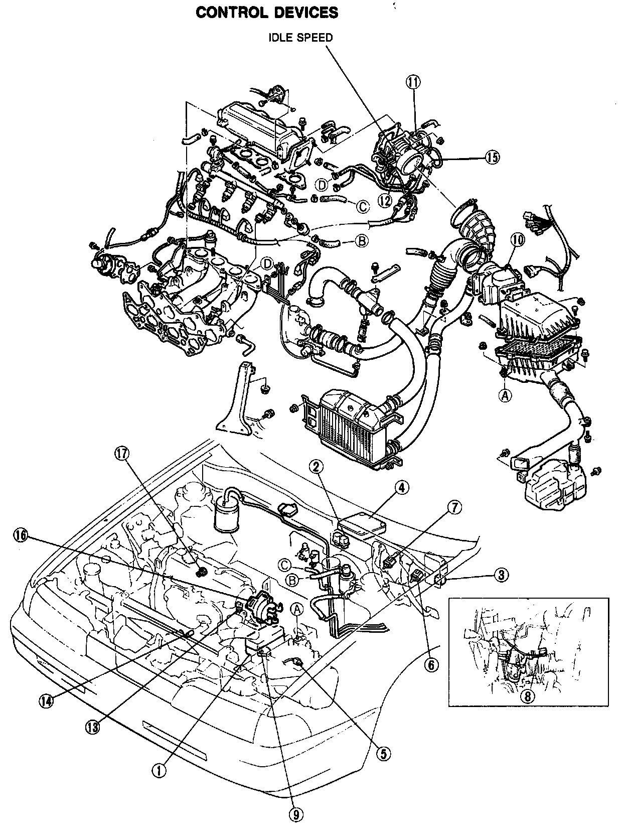
Component Locations








(Fig. 1)

Test Connectors:




(Fig. 2)

Fig. 3 Idle Speed Control (ISC) Valve:




(Fig. 3)

Fig. 4 EC-AT Control Unit:




(Fig. 4)








(Fig. 5)

Fig. 6 Input And Output Devices (Turbo):




(Fig. 6)

AIR CONDITIONING RELAY
Located front of vehicle near receiver drier

AIRFLOW METER
Bolted to air cleaner (Fig. 1)

ATMOSPHERIC PRESSURE SENSOR
An integral component of the ECU

BYPASS AIR CONTROL (BAC) VALVE
Located on rear side of throttle plate assembly (Fig. 1)

CIRCUIT OPENING RELAY
Under drivers side dash (Fig. 1)

CLUTCH SWITCH (M/T)
Located near pedal assembly (Fig. 1)

CRANK ANGLE SENSOR
Rear of engine above starter (Fig. 6)

ENGINE CONTROL UNIT (ECU)
Under center of dash (Fig. 1)

EC-AT (ELECTRONICALLY CONTROLLED AUTO. TRANS.) CONTROL UNIT
Under drivers side dash (Fig. 4)

EGI MAIN FUSE
Located in fuse box near battery (Fig. 1)

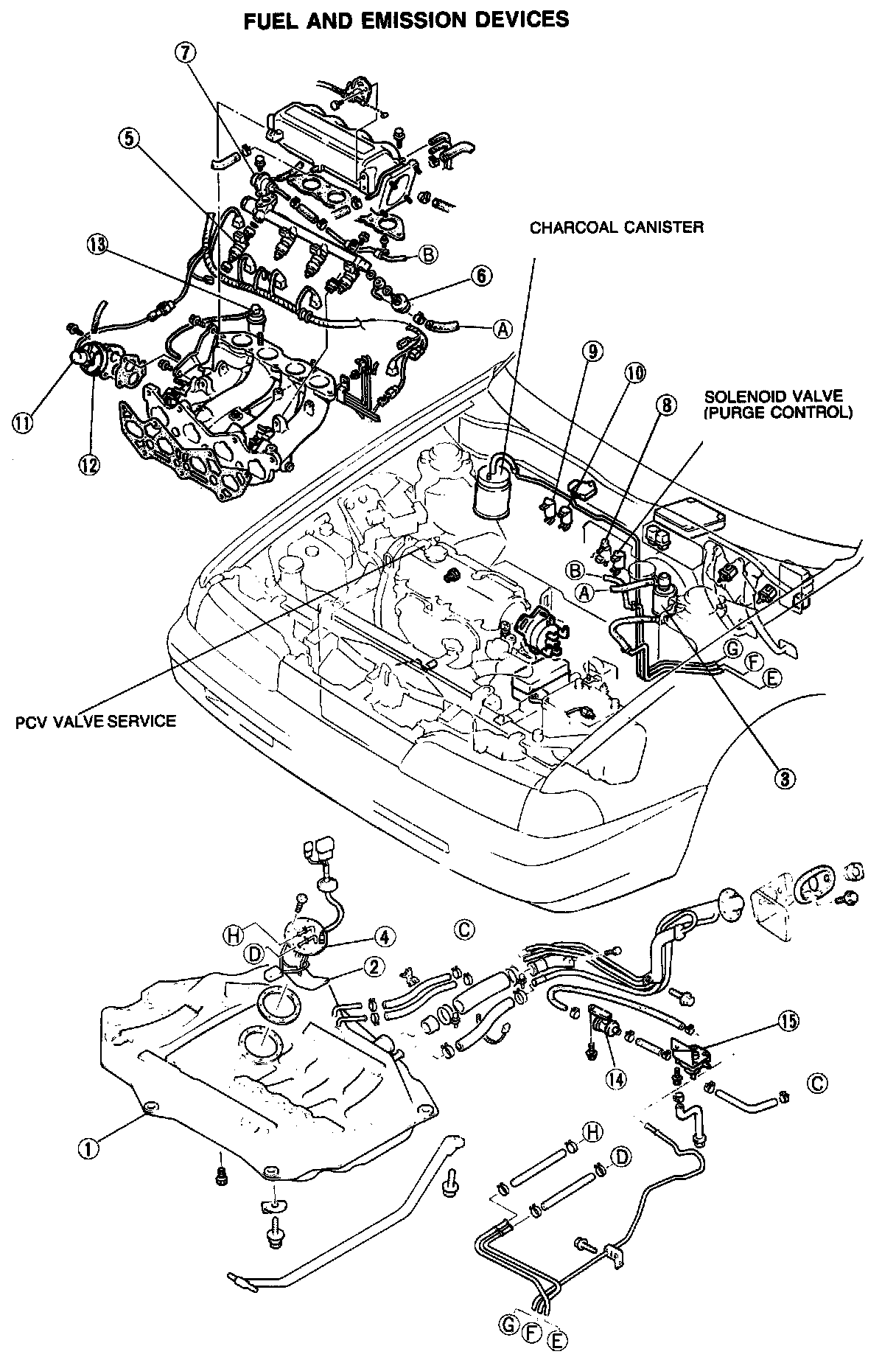
EGR POSITION SENSOR
Located on EGR control valve (Fig. 5)

EGR SOLENOID
Located center of fire wall (Fig. 5)

FUEL INJECTORS
Located on top of engine (Fig. 5)

IDLE SPEED CONTROL (ISC) VALVE
Located on rear of throttle plate assembly (Fig. 3)

IDLE SWITCH
Located front side of throttle plate assembly (Fig. 1)

IGNITER
Igniter is located near ignition coil (Fig. 6)

INHIBITOR SWITCH (A/T)
Located on transaxle below battery (Fig. 4)

INTAKE AIR THERMOSENSOR
Intake air thermosensor is incorporated into airflow meter (Fig. 1)

KNOCK CONTROL UNIT
Center of firewall in engine compartment

KNOCK SENSOR
Screwed into engine block front side (Fig. 6)

MALFUNCTION INDICATOR LAMP (MIL)
Located in the instrument cluster

MAIN RELAY
Located under center of dash (Fig. 1)

NEUTRAL SWITCH (M/T)
Located on transaxle below battery (Fig. 1)

OXYGEN SENSOR
Screwed into exhaust manifold (Fig. 1)

POWER STEERING PRESSURE SWITCH
Screwed into steering rack housing (Fig. 1)

PRESSURE REGULATOR SOLENOID
Located in center of fire wall (Fig. 1)

PURGE CONTROL SOLENOID
Located center of fire wall (Fig. 5)

STOP LIGHT SWITCH
Located near pedal assembly (Fig. 1)

TEST CONNECTORS
Located near drivers side strut tower (Fig. 2)

THROTTLE SENSOR
Located on rear of throttle plate assembly (Fig. 1)

VEHICLE SPEED SWITCH
Located in dash behind speedometer head (Fig. 4)

WASTEGATE SOLENOID VALVE
Incorporated into rear of turbo charger (Fig. 6)

WATER THERMOSENSOR
Screwed into cylinder head near distributor (Fig. 1)