Operation CHARM: Car repair manuals for everyone.
Manuals through 2025 now available!

Our trusted friends have launched a new website named LEMON, which has newer manuals. It also contains all the CHARM manuals.

LEMON is the spiritual successor to CHARM, I recommend you try it!

Link: lemon-manuals.la or lemon-manuals.org.ua

(Some people have issue connecting. LEMON is investigating. For now, use Firefox or change your DNS server)

Or, hide this message: temporarily or permanently

Component Locations

Fig. 1 Input And Output Devices:




(Fig. 1)

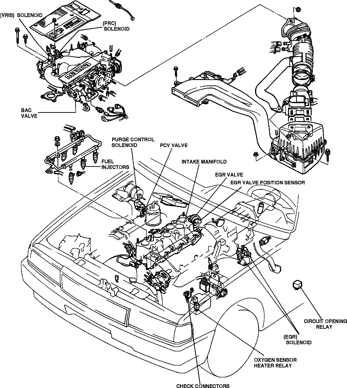
Fig. 2 Input And Output Devices:




(Fig. 2)

Fig. 3 EC-AT Control Unit:




(Fig. 3)

Fig. 4 A/C Relay:




(Fig. 4)

A/C RELAY
Located behind glove box (Fig. 4)

AIRFLOW METER
Bolted to air cleaner assembly (Fig. 1)

ATMOSPHERIC PRESSURE SENSOR
Integral component of the ECU

BYPASS AIR CONTROL (BAC) VALVE
Located on top left side of intake manifold

CHECK CONNECTOR
Drivers side front of engine compartment (Fig. 2)

EC-AT CONTROL UNIT (ELECTRONICALLY CONTROLLED A/T)
Located next to ECU (Fig. 3)

ENGINE CONTROL UNIT (ECU)
Located passenger side foot compartment (Fig. 1)

EGR POSITION SENSOR
Located on top of EGR control valve (Fig. 2)

EGR SOLENOID
Drivers side strut tower (Fig. 2)

FUEL INJECTORS
Located on top of engine (Fig. 2)

IDLE SWITCH
Idle switch is an integral part of throttle sensor (Fig. 1)

IGNITER
Located drivers side wheel well near coil (Fig. 3)

INHIBITOR SWITCH
Located on transmission (Fig. 1)

INTAKE AIR THERMOSENSOR # 1
Located inside airflow meter (Fig. 1)

INTAKE AIR THERMOSENSOR # 2
Screwed into dynamic chamber (Fig. 1)

IDLE SPEED CONTROL (ISC) VALVE
Integrated part of BAC valve (Fig. 2)

KNOCK CONTROL UNIT
Driver side near igniter (Fig. 1)

KNOCK SENSORS
Top of engine under dynamic chamber (Fig. 1)

MAIN RELAY
Drivers side front of engine compartment (Fig. 1)

MALFUNCTION INDICATOR LAMP (MIL)
Located center of gauge assembly drivers side dash (Fig. 1)

OXYGEN SENSOR HEATER RELAY
Drivers side front of engine compartment (Fig. 2)

OXYGEN SENSOR LEFT SIDE
Screwed into left exhaust manifold (Fig. 1)

OXYGEN SENSOR RIGHT SIDE
Screwed into right exhaust manifold (Fig. 1)

POWER STEERING PRESSURE SWITCH
Located on the steering rack spool valve

PRESSURE REGULATOR CONTROL (PRC) SOLENOID
Located near pressure regulator passenger side of engine (Fig. 2)

PURGE CONTROL SOLENOID
Right side of engine compartment near strut tower (Fig. 2)

STOP LIGHT SWITCH
Beneath the dash, activated by brake pedal

TEST CONNECTOR
Left front corner of engine compartment

THROTTLE SENSOR
Located on side of throttle plate assembly (Fig. 1)

VARIABLE RESONANCE INDUCTION SYSTEM (VRIS) SOLENOID
Located top of engine under dynamic chamber (Fig. 2)

VEHICLE SPEED SENSOR
Drivers side of transmission (Fig. 3)

WATER THERMOSENSOR
Front of engine under dynamic chamber (Fig. 3)