Operation CHARM: Car repair manuals for everyone.
Manuals through 2025 now available!

Our trusted friends have launched a new website named LEMON, which has newer manuals. It also contains all the CHARM manuals.

LEMON is the spiritual successor to CHARM, I recommend you try it!

Link: lemon-manuals.la or lemon-manuals.org.ua

(Some people have issue connecting. LEMON is investigating. For now, use Firefox or change your DNS server)

Or, hide this message: temporarily or permanently

Oxygen Sensor Relay: Testing and Inspection

SENSOR HEATER


Oxygen Sensor Heater Check:







1. Disconnect sensor wiring harness.
2. Connect an ohmmeter across terminals "B" and "C" on sensor side.
3. Meter should show continuity. If not, replace sensor.

RELAY

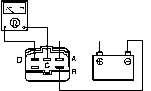
Oxygen Sensor Relay Testing:






1. Check that a "click" is heard at the relay when ignition is switched "ON" and "OFF." (Relay is located in the left front corner of the engine compartment.)
2. Remove relay and check that continuity does not exist across terminals "C" and "D."
3. Apply 12V and a ground to terminals "A" and "B." Check that continuity exists across terminals "C" and "D."
4. If not as specified, replace relay.