Operation CHARM: Car repair manuals for everyone.
Manuals through 2025 now available!

Our trusted friends have launched a new website named LEMON, which has newer manuals. It also contains all the CHARM manuals.

LEMON is the spiritual successor to CHARM, I recommend you try it!

Link: lemon-manuals.la or lemon-manuals.org.ua

(Some people have issue connecting. LEMON is investigating. For now, use Firefox or change your DNS server)

Or, hide this message: temporarily or permanently

Installation

Timing Chain Assembly - Exploded View:






1. Install chain guide and torque to 61-78 in.lbs (7-9 Nm).
2. Install the chain lever, torque to 70-95 in.lbs (8-11 Nm), and make sure that the lever moves smoothly as indicated.

Chain Guide And Lever:






3. Push the chain adjuster sleeve in and insert pin into lever hole to secure. Install chain adjuster and torque to 70-95 in.lbs (8-11 Nm).

Chain Adjuster Pin Installation:






4. Install key onto crankshaft.

Crankshaft Key Assembly:






5. Install timing chain and timing gear as shown.

Fig. 12 Timing Chain Installation:






6. Install camshaft pulley so timing mark on pulley aligns with white link of timing chain and secure camshaft pulley to timing chain with wire and temporarily rest it between chain lever and guide as shown.

Align Timing Marks When Installing Camshaft Pulley:






7. Install crankshaft sprocket.

Install Crankshaft Sprocket:






8. Set balancer chain on idler sprocket assembly so that timing mark on idler assembly and brown link of balancer chain align.

Balancer Chain To Idler Pulley:






9. Install balancer chain so that the five alignment marks on the chain, sprocket, and block align and attach the idler sprocket assembly to the cylinder block. Loosely tighten the idler sprocket assembly lock bolt.

Balancer Chain Alignment Marks:






10. Install chain guide A and B, torque to 70-95 in.lbs (8-11 Nm).

Balancer Chain Guides:






11. Install chain guide C and loosely tighten the adjusting bolt.

Balancer Chain Guide C And Adjuster Bolt:






12. Torque idler sprocket assembly to 27-39 ft.lbs (38-51 Nm). and install spacer.
13. Loosen chain guide C adjusting bolt.
14. Push chain guide C down with a force of 11 lbs (49 N), then pull back guide 0.126-0.149 in. (3.2-3.8 mm) and torque bolt to 70-95 in.lbs (8-11 Nm).

Adjusting Balancer Chain:






15. The chain slack at point A should be approx.0.12 in. (3 mm) when guide C is properly adjusted. If guide C bottoms out during adjustment then it must be replaced.

Balancer Chain Adjustment Measurement:






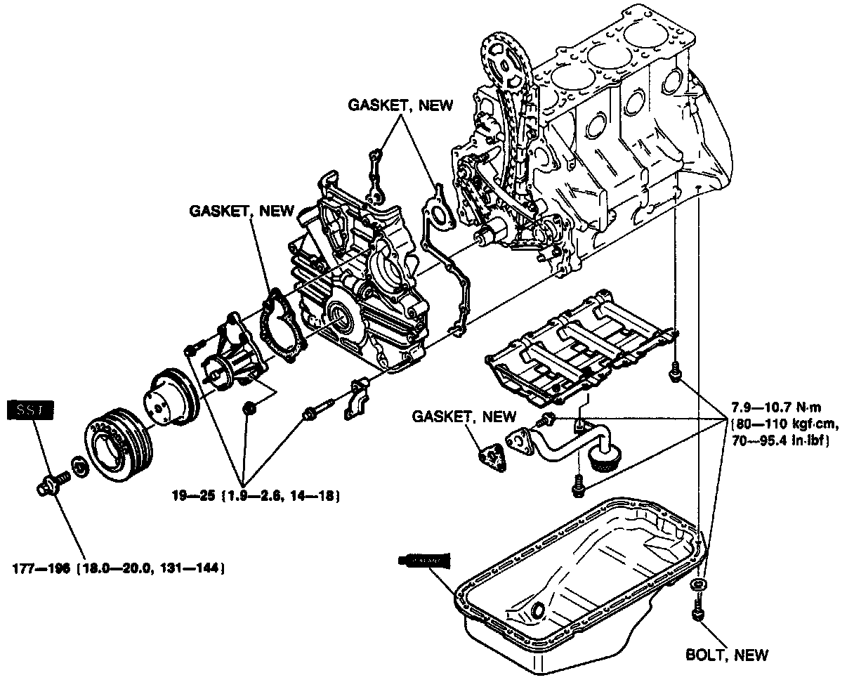
16. Using new gaskets, install oil strainer to chain cover, torque to 60-95 in.lbs (8-11 Nm) and install chain cover to engine, torque to 14-19 in.lbs (19-25 Nm).

Timing Chain Cover And Oil Pan Assembly:






17. Using a new gasket, install water pump and torque to 14-19 in.lbs (19-25 Nm).
18. Apply vegetable oil to the O-ring and install the coolant bypass pipe, torque mount bolt to 27-38 ft.lbs (37-52 Nm).

Apply Vegetable Oil To New O-ring Prior To Installation:






19. Using SST 49 S120 710 or equivalent, install crankshaft pulley and torque to 130-145 ft.lbs (177-196 Nm).

Using SST On Crankshaft Pulley:






20. Apply a continuous bead of silicone sealant to the oil pan along the inside of the bolt holes and overlap the ends. Install oil pan and torque to 70-95 in.lbs (8-11 Nm).
21. Apply silicone sealant to the indicated area of the cleaned cylinder head, place new cylinder head gasket in position.

Use Silicone On These Areas Prior To Installation:






22. Set cylinder head in place, apply engine oil to the bolt threads and seat faces.
23. Torque cylinder head bolts in 2-3 steps to 59-64 ft.lbs (80-86 Nm) in sequence shown then torque remaining small cylinder head bolts (A) to 12-17 ft.lbs (16-23 Nm).

Cylinder Head Bolt Tightening Sequence:






24. Install the following:

^ A/C compressor and compressor bracket
^ Power steering pump and pump bracket
^ Alternator and alternator bracket
^ Water pump pulley
^ Drive belts

Drive Belt Routing:






25. Install radiator cowling and cooling fan.
26. Adjust drive belt tension. Using new gasket, install valve cover.
27. Add engine oil and coolant to specified levels.
28. Connect the negative battery cable.
29. Check for leaks and adjust engine as necessary.