Operation CHARM: Car repair manuals for everyone.
Manuals through 2025 now available!

Our trusted friends have launched a new website named LEMON, which has newer manuals. It also contains all the CHARM manuals.

LEMON is the spiritual successor to CHARM, I recommend you try it!

Link: lemon-manuals.la or lemon-manuals.org.ua

(Some people have issue connecting. LEMON is investigating. For now, use Firefox or change your DNS server)

Or, hide this message: temporarily or permanently

Fuel Filter: Locations

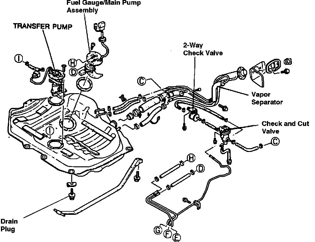
FUEL TANK AND COMPONENTS (W/4 WHEEL STEERING)

Fuel Tank Assembly:






FUEL TANK AND COMPONENTS (W/OUT 4 WHEEL STEERING)

Fuel Tank Assembly:






UNDER HOOD COMPONENTS

Component Locations:






AIR BYPASS VALVE
Intake air hose between turbocharger and intercooler.

BYPASS AIR CONTROL (BAC) VALVE
On throttle body

CHECK AND CUT VALVE
Under body near fuel tank.

FUEL FILTER
Left rear engine compartment.

FUEL INJECTORS
Between fuel rail and intake manifold, beneath dynamic chamber.


FUEL PRESSURE REGULATOR
End of fuel rail.


FUEL PUMP
Inside fuel tank.


FUEL PUMP RELAY (CIRCUIT OPEN RELAY)
Behind driver side kick panel.


FUEL RAIL (DELIVERY PIPE)
On intake manifold where it bolts to cylinder head.


FUEL TRANSFER PUMP (MODELS W/4 WHEEL STEERING ONLY)
Inside fuel tank.


FUEL TRANSFER PUMP CONTROL UNIT
Beneath rear window deck.


INTERCOOLER
Next to radiator, left side engine compartment.


PULSATION DAMPER
End of fuel rail, opposite pressure regulator.


THROTTLE BODY
On inlet to dynamic chamber.


TURBOCHARGER
At outlet from exhaust manifold.


WASTEGATE
Integral part of turbocharger.