Operation CHARM
: Car repair manuals for everyone.
Home
>>
Mazda
>>
1991
>>
Protege L4-1839cc 1.8L DOHC
>>
Repair and Diagnosis
>>
Powertrain Management
>>
Diagrams
>>
Electrical Diagrams
>>
EC-AT Control System
Manuals through 2025 now available!
Our trusted friends have launched a new website named LEMON, which has newer manuals. It also contains all the CHARM manuals.
LEMON is the spiritual successor to CHARM, I recommend you try it!
Link:
lemon-manuals.la
or
lemon-manuals.org.ua
(Some people have issue connecting. LEMON is investigating. For now, use Firefox or change your DNS server)
Or, hide this message:
temporarily
or
permanently
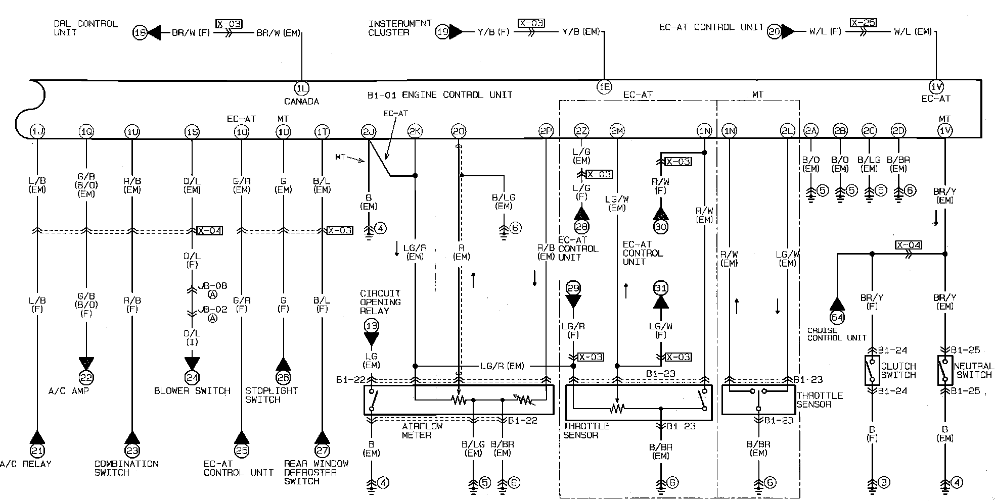
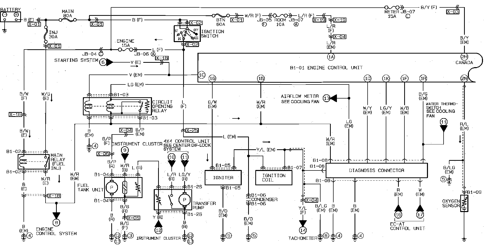
EC-AT Control System
4 WHEEL DRIVE MODELS
PART 1
Engine Control System. 4wd:
PART 2
Engine Control System. 4wd.:
PART 3
Engine Control System. 4wd.:
2 WHEEL DRIVE MODELS
PART 1
Engine Control System. 2wd.:
PART 2
Engine Control System. 2wd.:
PART 3
Engine Control System. 2wd.: