Operation CHARM: Car repair manuals for everyone.
Manuals through 2025 now available!

Our trusted friends have launched a new website named LEMON, which has newer manuals. It also contains all the CHARM manuals.

LEMON is the spiritual successor to CHARM, I recommend you try it!

Link: lemon-manuals.la or lemon-manuals.org.ua

(Some people have issue connecting. LEMON is investigating. For now, use Firefox or change your DNS server)

Or, hide this message: temporarily or permanently

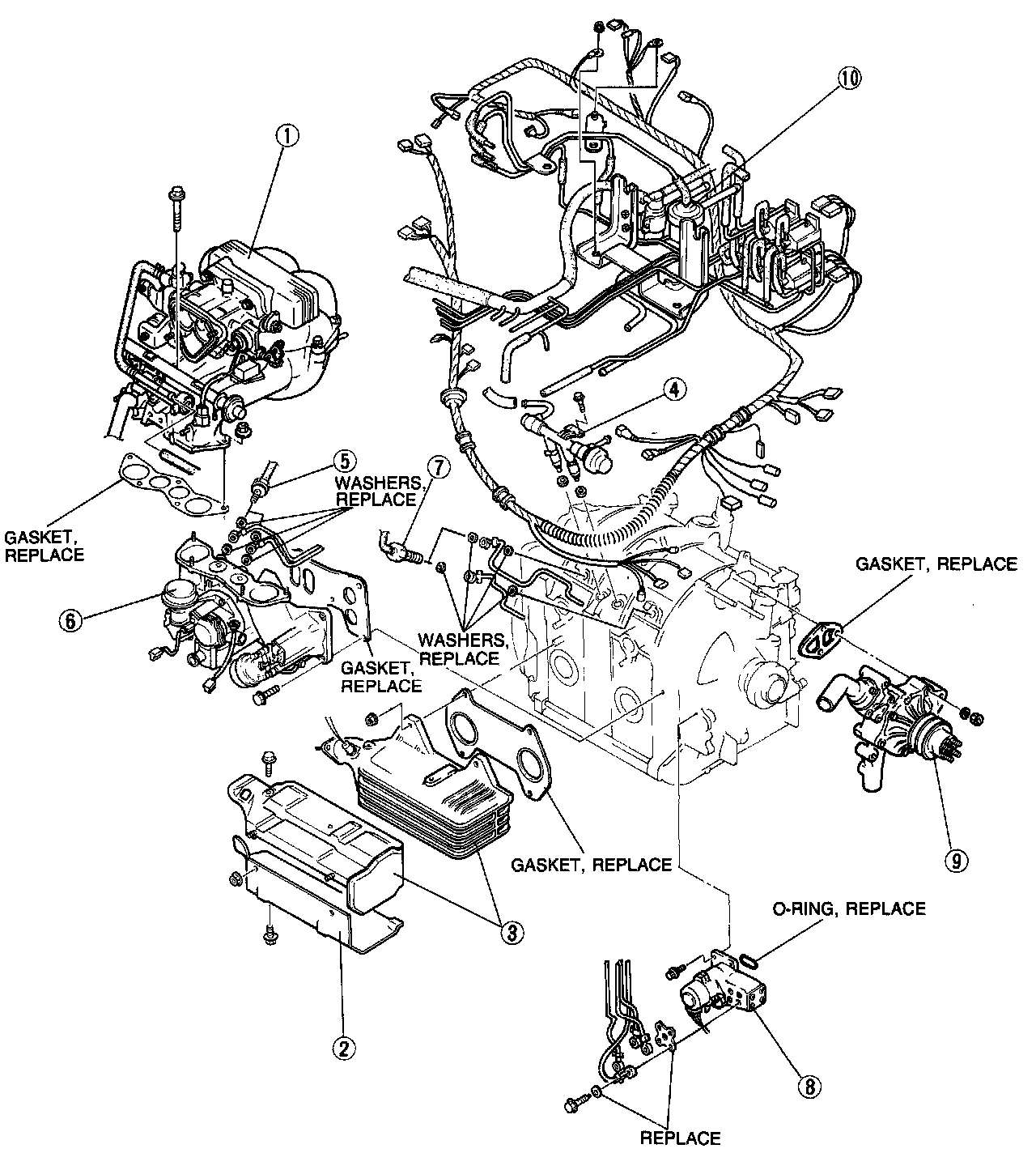
Intake Manifold





Legend
1. Throttle and dynamic chamber
2. Exhaust absorber plate
3. Exhaust manifold and insulator
4. Fuel injectors and delivery pipe
5. Manifold oil nozzles and metering oil tubes
6. Intake manifold
7. Housing oil nozzles and metering oil tube
8. Metering oil pump
9. Water pump
10. Engine harness and vacuum piping