Operation CHARM: Car repair manuals for everyone.
Manuals through 2025 now available!

Our trusted friends have launched a new website named LEMON, which has newer manuals. It also contains all the CHARM manuals.

LEMON is the spiritual successor to CHARM, I recommend you try it!

Link: lemon-manuals.la or lemon-manuals.org.ua

(Some people have issue connecting. LEMON is investigating. For now, use Firefox or change your DNS server)

Or, hide this message: temporarily or permanently

Component Locations

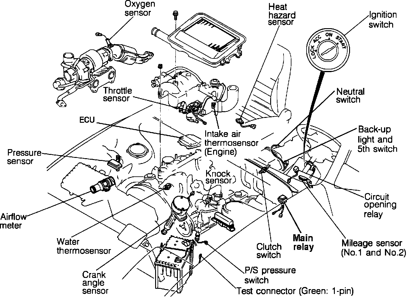
Fig. 1 Input And Output Devices (Turbo):




(Fig. 1)

Fig. 2 Input And Output Devices (Turbo):




(Fig. 2)

Fig. 3 Port Air Solenoid:




(Fig. 3)

Fig. 4 Split Air Solenoid:




(Fig. 4)


ACCELERATED WARM-UP (AWS) SOLENOID
Passenger side dynamic chamber (Fig. 2)

A/C RELAY
Located center of firewall (Fig. 2)

AIR SUPPLY VALVE (ASV) SOLENOID
Bolted to rear of dynamic chamber (Fig. 2)

AIRFLOW METER
Passenger side front of engine compartment (Fig. 1)

ATMOSPHERIC PRESSURE SENSOR
Integral component of ECU (Fig. 1)

BACKUP LIGHT AND 5TH GEAR SWITCH (M/T)
Drivers side transmission toward rear (Fig. 1)

BYPASS AIR CONTROL SOLENOID
Bolted to passenger side dynamic chamber (Fig. 2)

CIRCUIT OPENING RELAY
Located inside ignition switch cover (Fig. 1)

CLUTCH SWITCH (M/T)
Connected to pedal assembly (Fig. 1)

CRANK ANGLE SENSOR
Located drivers side front of engine (Fig. 1)

ENGINE CONTROL UNIT (ECU)
Located passengers foot well (Fig. 1)

FUEL INJECTORS
Located top of engine underneath dynamic chamber (Fig. 2)

FUEL PUMP CHECK CONNECTOR
Passenger side wheel well near strut tower (Fig. 2)

FUEL PUMP RESISTOR RELAY
Located passenger side front of engine compartment (Fig. 2)

HEAT HAZARD SENSOR
Located under passenger seat (Fig. 1)

IGNITER/COIL (LEADING)
Drivers side wheel well near front of vehicle (Fig. 2)

IGNITER/COIL (TRAILING)
Drivers side wheel well near firewall (Fig. 2)

INTAKE AIR THERMOSENSOR (ENGINE)
Drivers side of dynamic chamber (Fig. 1)

INTAKE AIR THERMOSENSOR (AIRFLOW METER)
Incorporated into airflow meter (Fig. 1)

KNOCK SENSOR
Drivers side engine block behind power steering pump (Fig. 1)

MAIN RELAY
Located drivers side near firewall (Fig. 1)

MALFUNCTION INDICATOR LAMP (MIL)
Located on instrument panel

METERING OIL PUMP POSITION SENSOR
Incorporated into metering oil pump passenger front of engine (Fig. 2)

MILEAGE SENSOR #1
Behind speedometer assembly (Fig. 1)

MILEAGE SENSOR #2
Behind speedometer assembly (Fig. 1)

NEUTRAL SWITCH (M/T)
Located passenger side transmission (Fig. 1)

OXYGEN SENSOR
Screwed into exhaust manifold (Fig. 1)

PORT AIR SOLENOID
Screwed into air control valve (Fig. 3)

PRESSURE REGULATOR SOLENOID
Located in solenoid cluster, drivers side of engine (Fig. 2)

PRESSURE SENSOR
Passenger wheel well in front of strut tower (Fig. 1)

POWER STEERING PRESSURE SWITCH
Screwed into power steering pump (Fig. 1)

RELIEF SOLENOID
Located in solenoid cluster, drivers side of engine (Fig. 2)

SPLIT AIR SOLENOID
Screwed into air control valve (Fig. 4)

STEPPING MOTOR
Incorporated into metering oil pump, passenger side front of engine (Fig. 2)

SWITCH SOLENOID
Located in solenoid cluster drivers side of engine (Fig. 2)

TEST CONNECTOR (1 PIN)
Front of engine compartment near coil (Fig. 1)

TEST CONNECTOR (6 PIN)
Front of engine compartment near coil (Fig. 2)

THROTTLE SENSOR
Bolted to front side of dynamic chamber (Fig. 1)

WASTEGATE CONTROL (BOOST PRESSURE) DUTY SOLENOID
Drivers side of engine below oil filler tube (Fig. 2)

WATER THERMOSENSOR
Located front of engine (Fig. 1)