Operation CHARM: Car repair manuals for everyone.
Manuals through 2025 now available!

Our trusted friends have launched a new website named LEMON, which has newer manuals. It also contains all the CHARM manuals.

LEMON is the spiritual successor to CHARM, I recommend you try it!

Link: lemon-manuals.la or lemon-manuals.org.ua

(Some people have issue connecting. LEMON is investigating. For now, use Firefox or change your DNS server)

Or, hide this message: temporarily or permanently

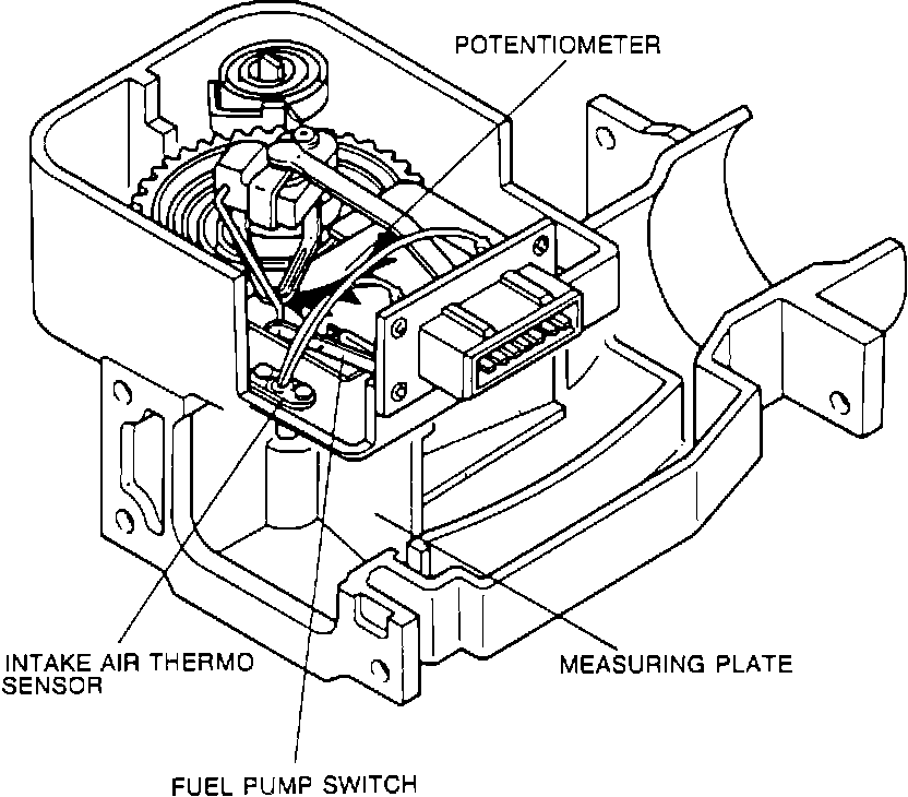
Air Flow Meter/Sensor: Description and Operation


Airflow Meter:







^ The Airflow Meter, attached to the air cleaner assembly on the left side of the engine compartment, measures airflow with a potentiometer rotated by a spring loaded measuring plate. Incoming air moves the measuring plate in relation to volume (more air, more movement), overriding spring tension. As the measuring plate moves, contacts in the attached potentiometer also move, varying potentiometer resistance and the input voltage signal sent to the ECU.
^ Incorporated into the airflow meter is a fuel pump switch and an intake air thermosensor. The fuel pump switch prevents fuel pump operation when the engine is not running and the ignition switch is "ON." The thermosensor measures ambient air temperature to allow ECU fuel compensation based on air density.
^ The ECU factors intake air temperature into its fuel quantity calculations because density varies with temperature (cold air is denser than warm). With both flow volume (measuring plate and potentiometer) and temperature information, the ECU can make precise mixture adjustments under a wide range of operating conditions.