Operation CHARM: Car repair manuals for everyone.
Manuals through 2025 now available!

Our trusted friends have launched a new website named LEMON, which has newer manuals. It also contains all the CHARM manuals.

LEMON is the spiritual successor to CHARM, I recommend you try it!

Link: lemon-manuals.la or lemon-manuals.org.ua

(Some people have issue connecting. LEMON is investigating. For now, use Firefox or change your DNS server)

Or, hide this message: temporarily or permanently

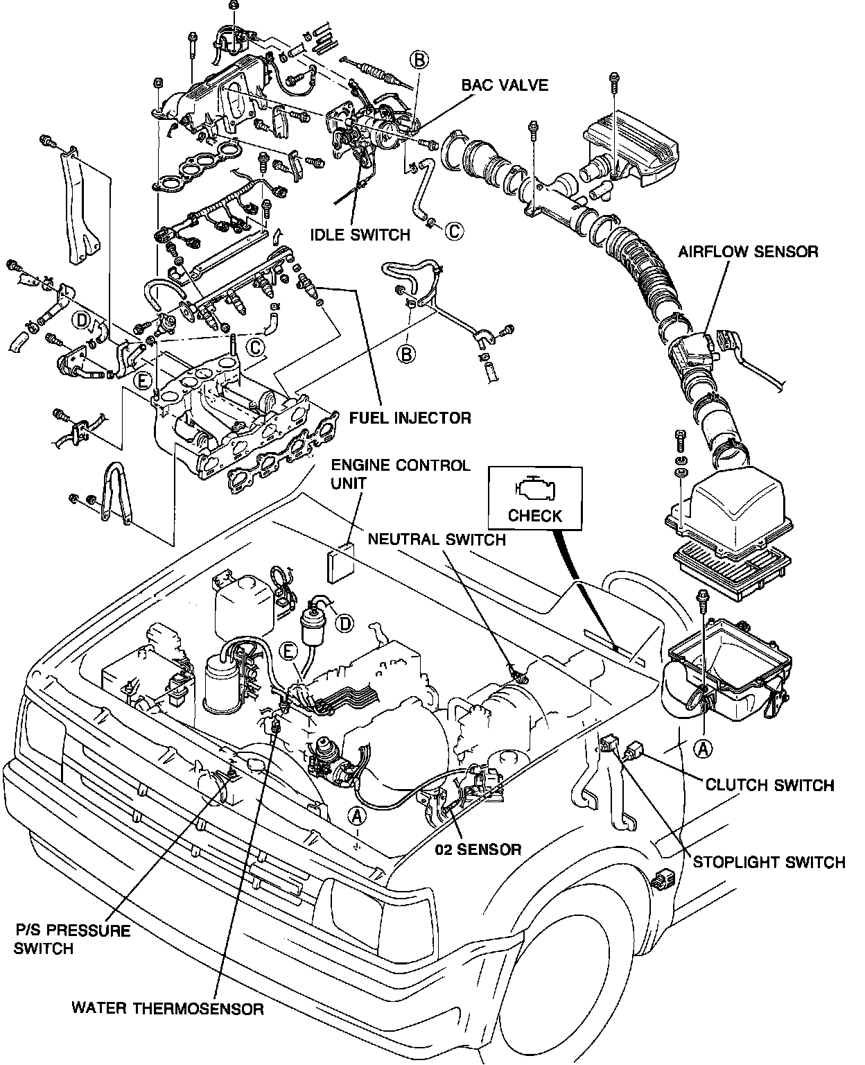
Air Flow Meter/Sensor: Locations

CEC Component Location:





AIR FLOW SENSOR
Mounted on intake boot between air cleaner box and throttle chamber.

AIR VALVE
Integral with By-Pass Air Control (BAC) Valve, mounted to throttle chamber.

ATMOSPHERIC PRESSURE SENSOR
Incorporated into ECU.

BY-PASS AIR CONTROL (BAC) VALVE
Mounted to throttle chamber.

CHECK CONNECTORS
GREEN 6-Pin connector (for self-diagnosis checker) on firewall near fuel filter.

CIRCUIT OPENING RELAY
Located behind left kick panel.

CLUTCH SWITCH
Mounted to control pedal bracket in drivers compartment.

CRANK ANGLE SENSOR
Integral distributor component.

DISTRIBUTOR
Mounted at front left side of cylinder head.

MAIN RELAY
Located at right front of engine compartment near battery.

ENGINE CONTROL UNIT
Located behind right kick panel.

IDLE SPEED CONTROL (ISC) VALVE
Integral with BAC Valve, mounted to throttle chamber.

IDLE SWITCH
Integral with throttle sensor. Mounted on throttle chamber.

IGNITER
Mounted on left fenderwell near ignition coil.

INHIBITOR SWITCH (A/T)
Mounted on transmission at selector shaft.

INTAKE AIR THERMOSENSOR
Screwed into front of dynamic chamber.

MALFUNCTION INDICATOR LIGHT (MIL)
Located in instrument cluster.

NEUTRAL SWITCH (M/T)
Screwed into R.H. side of transmission tailhousing.

OXYGEN SENSOR
Screwed into exhaust manifold.

POWER STEERING PRESSURE SWITCH
Screwed into high-pressure line at PS pump.

PURGE CONTROL SOLENOID
Mounted on right inner fenderwell near canister.

STOP LIGHT SWITCH
Mounted to control pedal bracket in drivers compartment.

TEST CONNECTOR
GREEN 1-Pin connector (for self-diagnosis checker, idle speed and timing adjustment) located at top of firewall near wiper motor.

THROTTLE SENSOR
Integral with idle switch. Mounted on throttle chamber.

VEHICLE SPEED SENSOR
Located in speedometer head assembly.

WATER THERMOSENSOR
Screwed into thermostat housing near top radiator hose.