Operation CHARM: Car repair manuals for everyone.
Manuals through 2025 now available!

Our trusted friends have launched a new website named LEMON, which has newer manuals. It also contains all the CHARM manuals.

LEMON is the spiritual successor to CHARM, I recommend you try it!

Link: lemon-manuals.la or lemon-manuals.org.ua

(Some people have issue connecting. LEMON is investigating. For now, use Firefox or change your DNS server)

Or, hide this message: temporarily or permanently

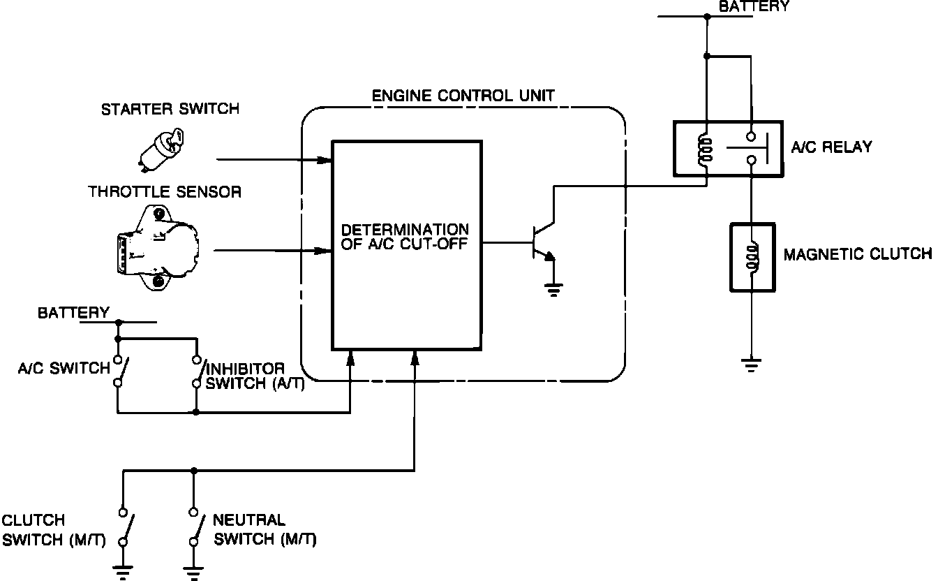
Compressor Cut-Off Relay

A/C Cut-Off System:







1. Shift transmission into gear (M/T) or "D" range (A/T).
2. Turn ignition switch, A/C and blower switch "ON." Condenser fan should operate.
3. Fully open throttle valve and check that condenser fan stops.
4. Shift transmission into neutral (M/T) or "P" range (A/T) and start engine.
5. Check that condenser fan does not operate for approximately five seconds after starting.
6. If operation is not as described, check throttle sensor and ECU terminal 1j voltage. Refer to ECU pin voltage chart in this section under ENGINE CONTROL UNIT (ECU).