Operation CHARM: Car repair manuals for everyone.
Manuals through 2025 now available!

Our trusted friends have launched a new website named LEMON, which has newer manuals. It also contains all the CHARM manuals.

LEMON is the spiritual successor to CHARM, I recommend you try it!

Link: lemon-manuals.la or lemon-manuals.org.ua

(Some people have issue connecting. LEMON is investigating. For now, use Firefox or change your DNS server)

Or, hide this message: temporarily or permanently

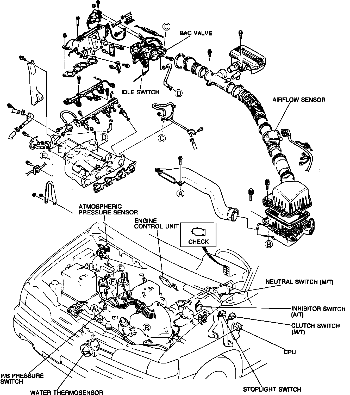
Throttle Full Close Switch: Description and Operation

Idle Speed Control System:






The Idle Switch is an "ON/OFF" switch that signals the ECU whether the throttle is completely closed or not. The ECU utilizes this input in its calculations of:

^ Fuel injection quantity
^ ISC valve position
^ Purge control solenoid valve operation
^ Pressure regulator solenoid valve operation
^ Ignition timing control (igniter)