Operation CHARM: Car repair manuals for everyone.
Manuals through 2025 now available!

Our trusted friends have launched a new website named LEMON, which has newer manuals. It also contains all the CHARM manuals.

LEMON is the spiritual successor to CHARM, I recommend you try it!

Link: lemon-manuals.la or lemon-manuals.org.ua

(Some people have issue connecting. LEMON is investigating. For now, use Firefox or change your DNS server)

Or, hide this message: temporarily or permanently

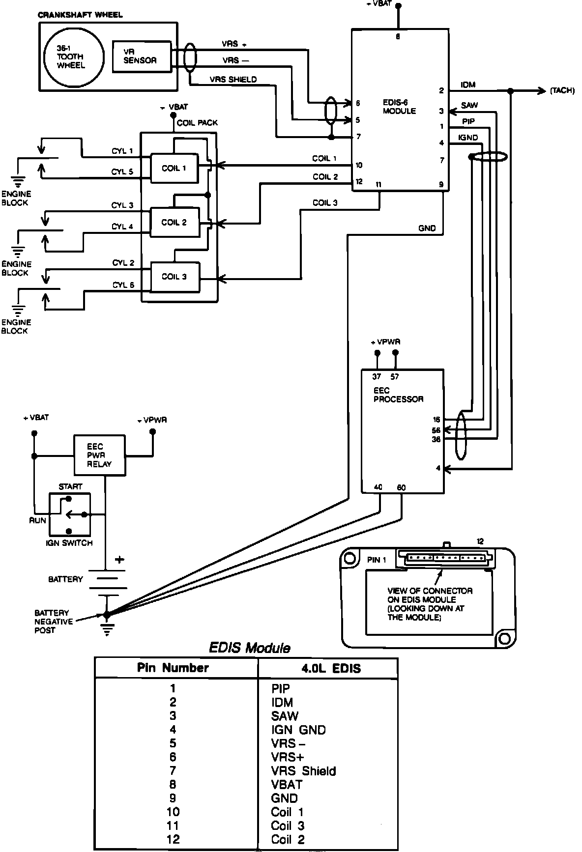
Engine Control Module: Description and Operation

Electronic Control Assembly (ECA):




EDIS Block Diagram:






PURPOSE
This computerized fuel, ignition and emission control system is referred to as EEC-IV (Electronic Engine Control). The central component of this system is the Electronic Control Assembly (ECA), a microprocessor containing specific calibrations designed to optimize fuel economy and driveability while maintaining low emissions.

LOCATION
Behind right side kick panel.

OPERATION
The Electronic Control Assembly (ECA) is a microprocessor containing specific calibrations. Based on information received from a number of sensors and other electronic components (switches, relays, etc.), and values programmed into its memory, the ECA generates output signals to control various relays, solenoids and other actuators.