Operation CHARM: Car repair manuals for everyone.
Manuals through 2025 now available!

Our trusted friends have launched a new website named LEMON, which has newer manuals. It also contains all the CHARM manuals.

LEMON is the spiritual successor to CHARM, I recommend you try it!

Link: lemon-manuals.la or lemon-manuals.org.ua

(Some people have issue connecting. LEMON is investigating. For now, use Firefox or change your DNS server)

Or, hide this message: temporarily or permanently

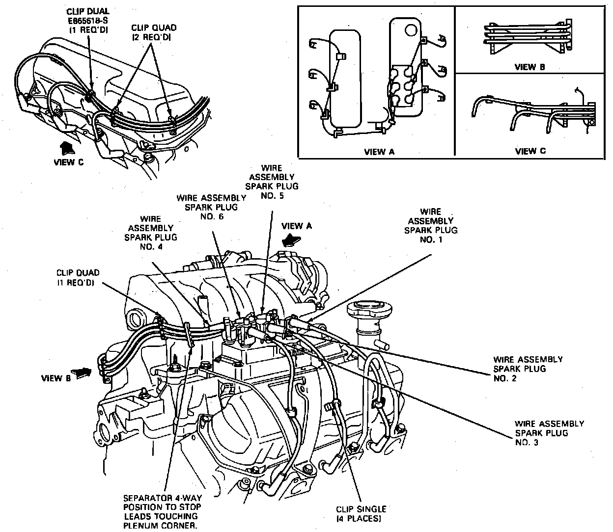
Ignition Cable: Service and Repair

Spark Plug Wire Assembly:






REMOVAL:

1. When removing spark plug wires from the spark plugs, use the spark plug wire remover T74P-6666-A or equivalent. Grasp and twist the boot back and forth on the plug insulator to free the boot.
2. Use the special tool or equivalent to pull the boot from the plug. Do not pull on the wire directly, as it may become separated from the connector inside the boot.
3. To remove the wires from the coil pack, squeeze the locking tabs of the coil wire retainer and remove using a twisting and pulling motion. Do not pull on the wire.


INSTALLATION:

CAUTION:
Proper installation of spark plug wires is critical to vehicle operation. If one spark plug wire is not properly installed on the spark plug or ignition coil, both spark plugs connected to that coil may not fire under load.

1. Whenever a high tension wire is removed for any reason from a spark plug or ignition coil, or a new high tension wire is installed, Silicone Dielectric Compound D7AZ-19A331-A or equivalent must be applied to the boot prior to installation. Using a small tool, coat the entire interior surface of the boot.
2. Install each wire on the proper ignition coil terminal. The terminal cylinder numbers are identified on the ignition coil pack. Ensure that both coil boot retainer locking tabs have engaged.
3. Remove the wire retaining brackets from the old wiring set and install the brackets on the new wires in the same position. Install the wires and retaining brackets on the engine.
4. Connect the wires to the proper Spark plugs.