Operation CHARM: Car repair manuals for everyone.
Manuals through 2025 now available!

Our trusted friends have launched a new website named LEMON, which has newer manuals. It also contains all the CHARM manuals.

LEMON is the spiritual successor to CHARM, I recommend you try it!

Link: lemon-manuals.la or lemon-manuals.org.ua

(Some people have issue connecting. LEMON is investigating. For now, use Firefox or change your DNS server)

Or, hide this message: temporarily or permanently

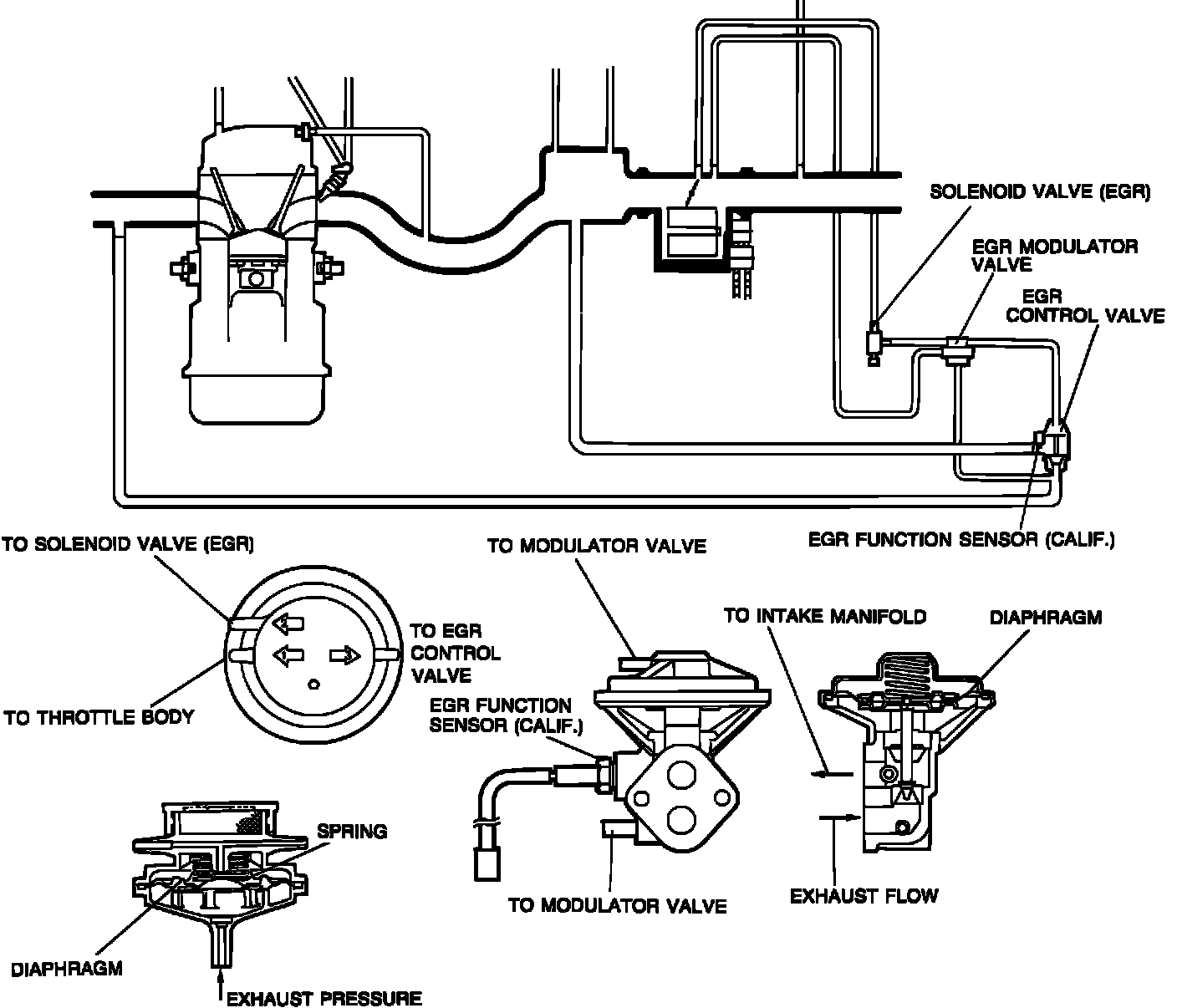
Exhaust Gas Recirculation: Description and Operation

EGR Control System:






PURPOSE
System lowers combustion chamber temperatures to reduce NOx emissions.

LOCATION
^ EGR valve: beneath intake manifold near throttle body.
^ EGR solenoid: right side intake manifold.
^ EGR modulator valve: in bracket on top of intake manifold near throttle body.

OPERATION
System recirculates a portion of exhaust gas through the EGR valve and intake manifold into the combustion chambers. Amount of exhaust gas recirculated is regulated by a PCME controlled solenoid valve, exhaust pressure modulator valve, and EGR control valve. System operates when coolant temperature is above 122°F (50°C).