Operation CHARM: Car repair manuals for everyone.
Manuals through 2025 now available!

Our trusted friends have launched a new website named LEMON, which has newer manuals. It also contains all the CHARM manuals.

LEMON is the spiritual successor to CHARM, I recommend you try it!

Link: lemon-manuals.la or lemon-manuals.org.ua

(Some people have issue connecting. LEMON is investigating. For now, use Firefox or change your DNS server)

Or, hide this message: temporarily or permanently

Transaxle Unit (Disassembly)

SST:




Preparation

Precaution

General notes:
1. Disassemble the transaxle in a clean area to prevent entry of dust, etc. into the mechanisms.
2. Inspect the individual transaxle components in accordance with the QUICK DIAGNOSIS CHART during disassembly. Quick Diagnosis Chart
3. Use only plastic hammers when applying force to separate the light alloy case joints.
4. Never use rags during disassembly; they may leave particles that can clog fluid passages.
5. Several parts resemble one another; organize them so that they do not get mixed up.
6. Disassemble the control valve assembly and thoroughly clean it when the clutch or brake band has burned or when the ATF has degenerated.

Cleaning notes:
1. Clean the transaxle exterior thoroughly with a steam cleaner or cleaning solvents before disassembly.
2. Clean the removed parts with cleaning solvent, and dry with compressed air. Clean out all holes and passages with compressed air, and check that there are no obstructions.
3. Wear eye protection when using compressed air to clean components.

Components Part 1:




Components Part 2:




Components Part 3:




Components Part 4:




Components

Disassembly procedure

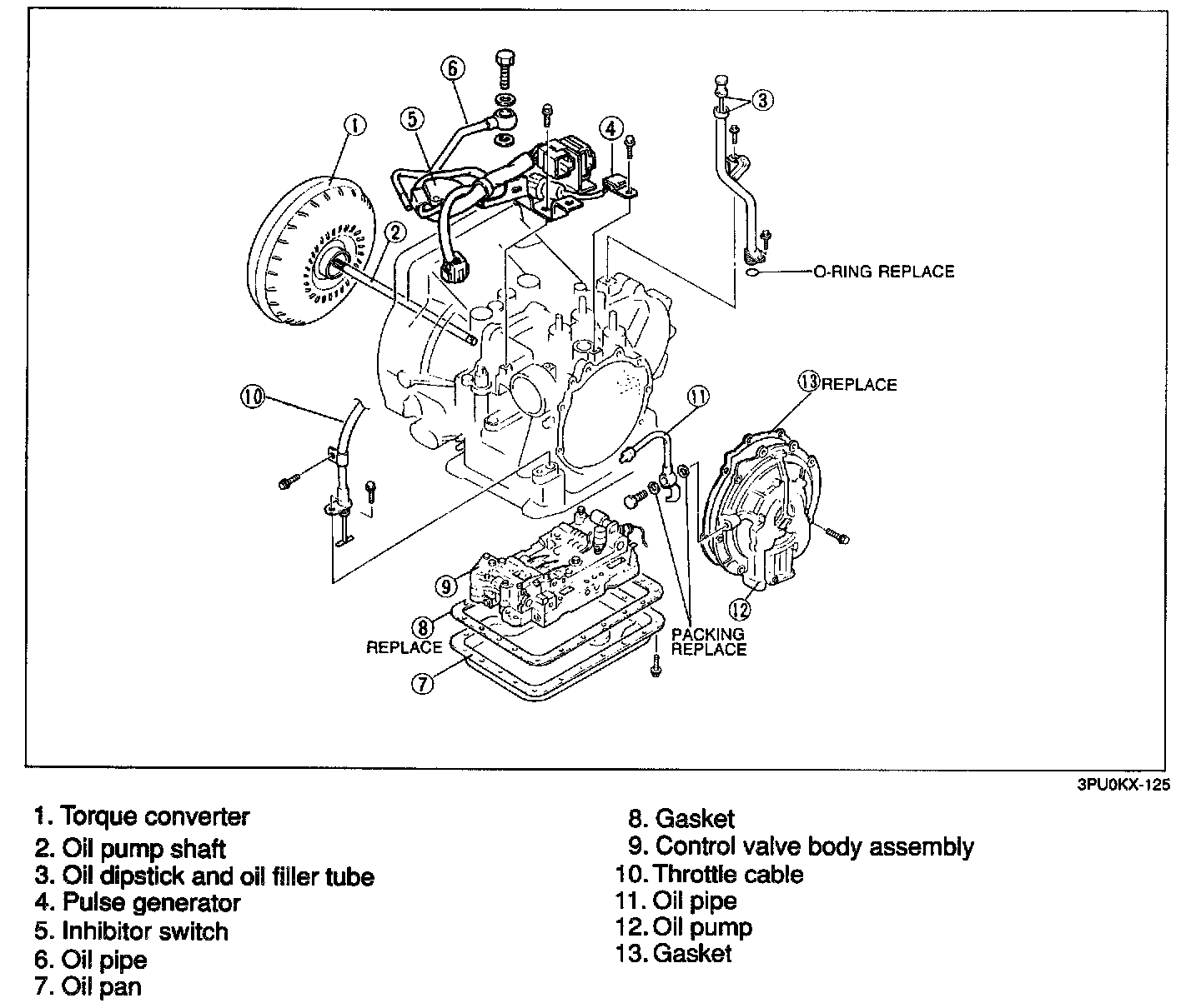
NOTE: Do not allow the ATF to spill when removing the torque converter.




1. Remove the torque converter from the converter housing.




2. Pull out the oil pump shaft by hand.




3. Remove the dipstick and oil filler tube.
4. Remove the breather hose.




5. Assemble the SST.




6. Attach suitable hangers to the oil pump as shown.




7. Lift the transaxle and mount it on the SST.






WARNING: Do not lean the transaxle to one side during disassembly. It may turn quickly and cause Injury.




8. Remove the pulse generator, inhibitor switch, and bracket.




9. Disconnect the solenoid connector.




10. Remove the connector bolt.
11. Remove the packing, oil pipe, spring, and steel ball.









CAUTION: Remove the oil pan before turning the transaxle over. This will ensure that any foreign material remains in the pan.

12. Remove the oil pan and gasket.
Examine any material found in the pan or on the magnet to determine the condition of the transaxle.

Clutch facing material Drive plate and brake band wear
Steel (magnetic) Bearing, gear, and driven plate wear
Aluminum (nonmagnetic) Bushing or cast aluminum part wear

If large amounts of material are found, replace the torque converter and carefully check the transaxle for the cause.

13. Disconnect the solenoid valve connector.

NOTE: Loosen the bolts evenly and gradually.




14. Remove bolts A and B and the brackets shown in the figure.

Bolt length (measured from below the head)

(A) : 30 mm (1.18 in)
(B) : 50 mm (1.97 in)

15. Remove the control valve body.




16. Remove the throttle cable
1. Remove the throttle cable attaching bolt and bracket.
2. Remove the throttle cable from the throttle lever of the control valve body.




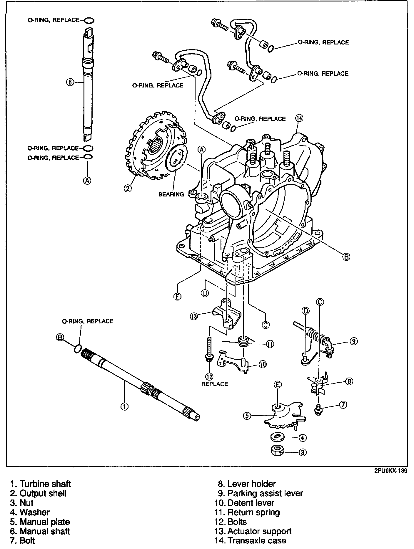
17. Remove the manual shaft and manual plate.
1. Loosen the nut and pull out the manual shaft.
2. Remove the nut, washer, and manual plate.





18. Remove the bolt and lever holder.




19. Remove the parking assist lever.




20. Remove the detent lever and return spring.
21. Remove the actuator support.




22. Remove the oil pump assembly.
1. Remove the oil pipe and packing.
2. Remove the oil pump.

23. Remove the clutch assembly.

CAUTION: Do not deform the snap ring when removing it.




1. Remove the turbine shaft snap ring.




2. Pull the reverse forward drum and remove the clutch assembly.




24. Remove the servo.
1. Remove the snap ring by using water pump pliers and a screwdriver.
2. Remove the servo retainer, servo piston, and spring.




25. Pull the anchor shaft while holding the strut.
26. Remove the strut.




27. Remove the small sun gear and one-way clutch 1.

NOTE: Use a piece of wire to secure the 2-4 brake band so that it is not damaged by being stretched.




28. Remove the 2-4 brake band.
29. Remove the one-way clutch 2 and carrier hub assembly.




1. Remove the snap ring.




2. Remove the one-way clutch 2 together with the carrier hub assembly.
3. Remove the friction plate.

30. Remove the internal gear.




1. Remove the snap ring.




2. Remove the internal gear from the output shell.

31. Remove the 3-4 clutch assembly.

CAUTION: Do not damage the O-ring when removing it.




1. Remove the O-ring from the turbine shaft at the converter housing side.




2. Remove the turbine shaft and 3-4 clutch as an assembly.
3. Separate the turbine shaft and 3-4 clutch.




32. Remove the bolts and remove the transaxle case by tapping lightly with a plastic hammer.




33. Remove the parking pawl.
1. Remove the snap ring and spring.
2. Remove the shaft and parking pawl.




34. Remove the output shell from the output gear.




35. Remove the differential assembly.




36. Remove the bearing housing.
1. Remove the roll pin by using a pin punch.
2. Remove the bearing housing by tapping lightly with a plastic hammer.




37. Remove the idler gear assembly and output gear assembly by tapping it out from the torque converter side.
38. Remove the bearing cover assembly.

NOTE: Loosen the bolts evenly and gradually.




1. Remove the bearing cover assembly bolts.
2. Remove the converter housing from the SST (transaxle hanger).




3. Press the bearing cover assembly out of the converter housing.

NOTE: Install the bearing race during reassembly to adjust the preload.




39. Press out the bearing race by using the SST.