Operation CHARM: Car repair manuals for everyone.
Manuals through 2025 now available!

Our trusted friends have launched a new website named LEMON, which has newer manuals. It also contains all the CHARM manuals.

LEMON is the spiritual successor to CHARM, I recommend you try it!

Link: lemon-manuals.la or lemon-manuals.org.ua

(Some people have issue connecting. LEMON is investigating. For now, use Firefox or change your DNS server)

Or, hide this message: temporarily or permanently

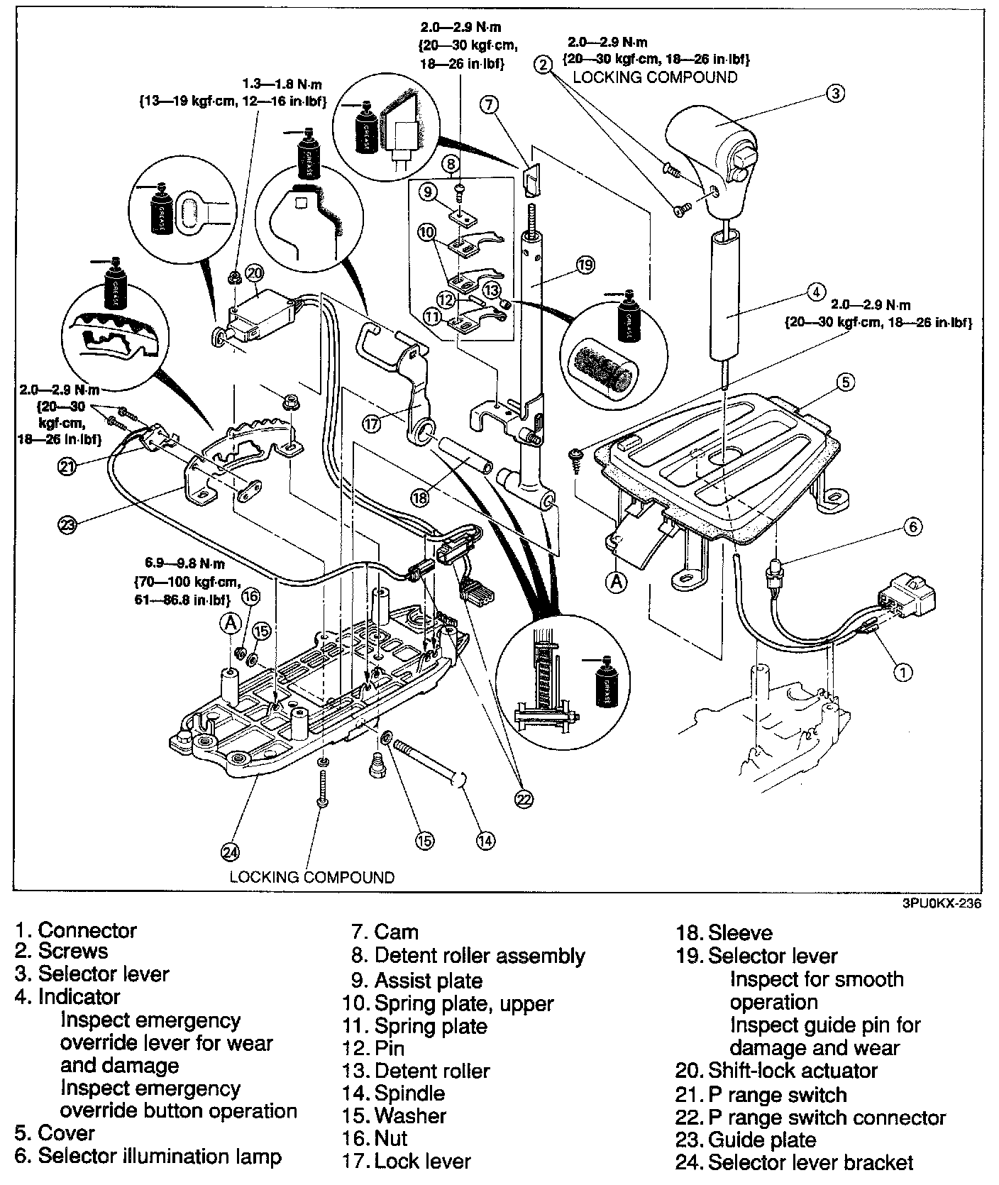
Key Interlock




Removal/Inspection/Installation
1. Disconnect the negative battery cable.
2. Remove in the order shown in the figure.
3. Inspect all parts and repair or replace as necessary.
4. Install in the reverse order of removal, referring to Installation Note.

Installation note




Bolt
1. Shift the selector lever to P range.
2. Push the selector lever against P range and hold it.
3. Tighten the selector cable mounting bolts.

Tightening torque: 7.9 - 10.7 N.m (80 - 110 kg.cm, 70 - 95.4 in.lb)




Disassembly/Inspection/Assembly
1. Disassemble in the order shown in the figure, referring to Disassembly Note.
2. Inspect all parts and repair or replace as necessary.
3. Assemble in the reverse order of disassembly, referring to Assembly Note.




Disassembly note

Connector
Insert a thin piece of metal from the terminal side of the connector, and then, with the terminal locking tab pressed down, pull the terminal out of the connector.

Assembly note

Detent roller assembly




1. Apply grease to the inside of the roller and install it to the spring plate.
2. Shift the selector lever to P range.
3. Loosely install the spring plate, upper spring plate, and assist plate.




4. Adjust the clearance between the guide plate and the guide pin, and tighten the screw.

Tightening torque: 2.0 - 2.9 N.m (20 - 30 kg.cm, 18 - 26 in.lb)







Cam
1. Loosely install the cam to the push rod.

NOTE: Clearance is decreased by turning the cam clockwise.

2. Adjust the clearance between the guide plate and the guide pin by turning the cam.
3. Install the selector lever knob and verify that the clearance is as specified.
4. If not, repeat from step 2.
5. Remove the selector lever knob.
6. Apply grease to the cam as shown.

Indicator




1. Shift the selector lever to P range.
2. Align the alignment screws in the slider with the holes in the indicator panel. Install suitable heavy-gauge wire to hold the slider.
3. Loosely install the indicator to the selector lever bracket.




4. Tighten the indicator screws in the order shown in the figure.
5. Remove the wire.
6. Verify that the selector lever properly aligns with the indicator in each range.