Operation CHARM: Car repair manuals for everyone.
Manuals through 2025 now available!

Our trusted friends have launched a new website named LEMON, which has newer manuals. It also contains all the CHARM manuals.

LEMON is the spiritual successor to CHARM, I recommend you try it!

Link: lemon-manuals.la or lemon-manuals.org.ua

(Some people have issue connecting. LEMON is investigating. For now, use Firefox or change your DNS server)

Or, hide this message: temporarily or permanently

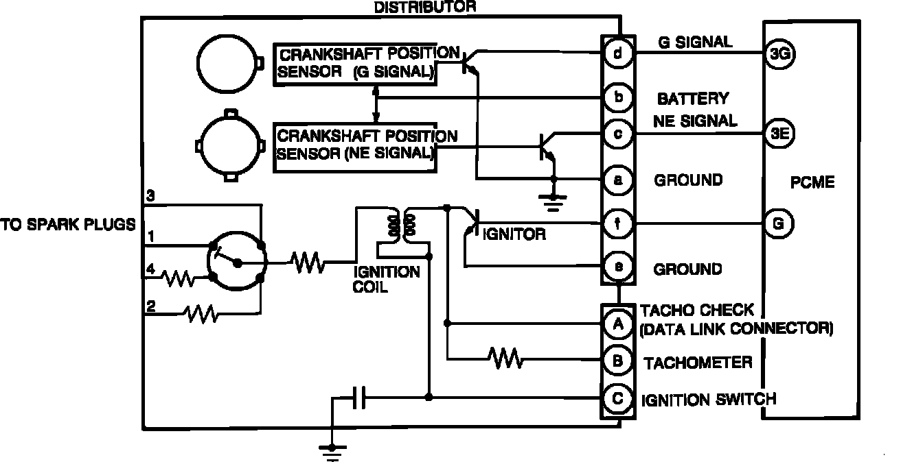
Crankshaft Position Sensor: Description and Operation

Ignition System Circuit Diagram:






PURPOSE
Provides PCME #1 cylinder TDC information (G signal) and crank angle signal at 90° intervals (Ne signal). Signals used by PCME in calculations for ignition and injection timing.

LOCATION
In distributor.

OPERATION
As reluctor projections pass pick-up, magnetic fields are interrupted. Pulses generated are sent to PCME. G signal consists of 1 pulse per distributor revolution (#1 cylinder TDC). Ne signal consists of 4 pulses per distributor revolution (crank angle signal every 90° of rotation).

CONSTRUCTION
Stationary magnetic pick-ups and reluctors turned by distributor shaft. G signal reluctor has 1 projection and Ne1 signal reluctor has 4.