Manuals through 2025 now available!
Our trusted friends have launched a new website named LEMON, which has newer manuals. It also contains all the CHARM manuals.
LEMON is the spiritual successor to CHARM, I recommend you try it!
Link:
lemon-manuals.la or
lemon-manuals.org.ua
(Some people have issue connecting. LEMON is investigating. For now, use Firefox or change your DNS server)
Or, hide this message:
temporarily or
permanently
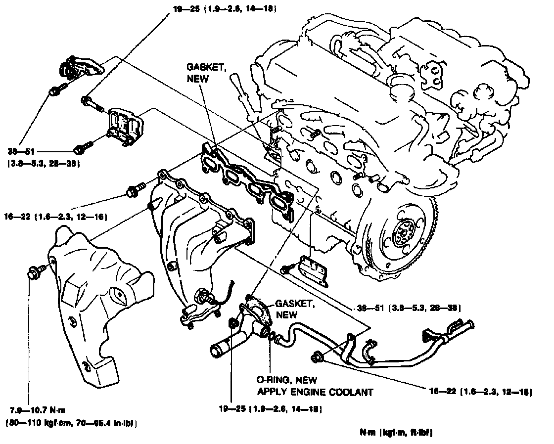
Torque Specifications
Intake:
Exhaust Manifold:
Federal Models:
California Models:
Apply clean engine oil to the bolt threads and seat faces.
Tighten the
cylinder head bolts in two or three steps in the order shown.
Tightening torque:
76-81 Nm (56-60 ft-lb)
Rocker Shaft Torque/Sequence (B6 FED.):
Rocker Shaft Torque/Sequence (B6 CA. & BP Engines):
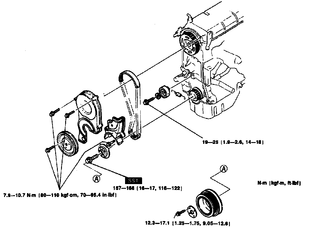
Timing Components:
Lower Engine:
Main Bolt Torque/Sequence: