Operation CHARM: Car repair manuals for everyone.
Manuals through 2025 now available!

Our trusted friends have launched a new website named LEMON, which has newer manuals. It also contains all the CHARM manuals.

LEMON is the spiritual successor to CHARM, I recommend you try it!

Link: lemon-manuals.la or lemon-manuals.org.ua

(Some people have issue connecting. LEMON is investigating. For now, use Firefox or change your DNS server)

Or, hide this message: temporarily or permanently

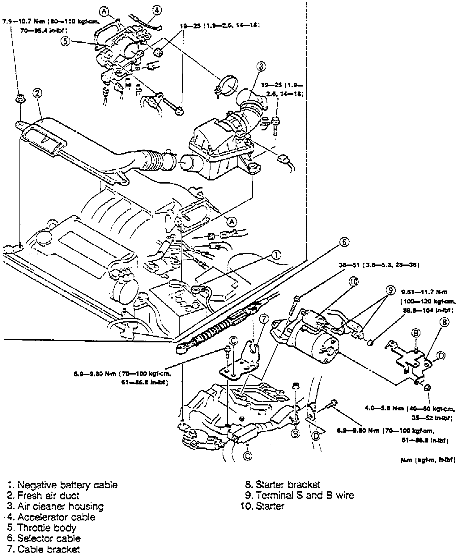
Starter Motor: Service and Repair

NOTE: Deactivate audio anti-theft function, as outlined under Technician Safety Information before disconnecting battery.

1. Disconnect battery ground cable.
2. Remove or disconnect components in order, Figs. 3 and 4.

Fig. 3 Starter Removal:





Fig. 4 Starter Removal:





3. Reverse procedure to install.
4. Reactivate audio anti-theft function as outlined under Technician Safety Information.