Operation CHARM: Car repair manuals for everyone.
Manuals through 2025 now available!

Our trusted friends have launched a new website named LEMON, which has newer manuals. It also contains all the CHARM manuals.

LEMON is the spiritual successor to CHARM, I recommend you try it!

Link: lemon-manuals.la or lemon-manuals.org.ua

(Some people have issue connecting. LEMON is investigating. For now, use Firefox or change your DNS server)

Or, hide this message: temporarily or permanently

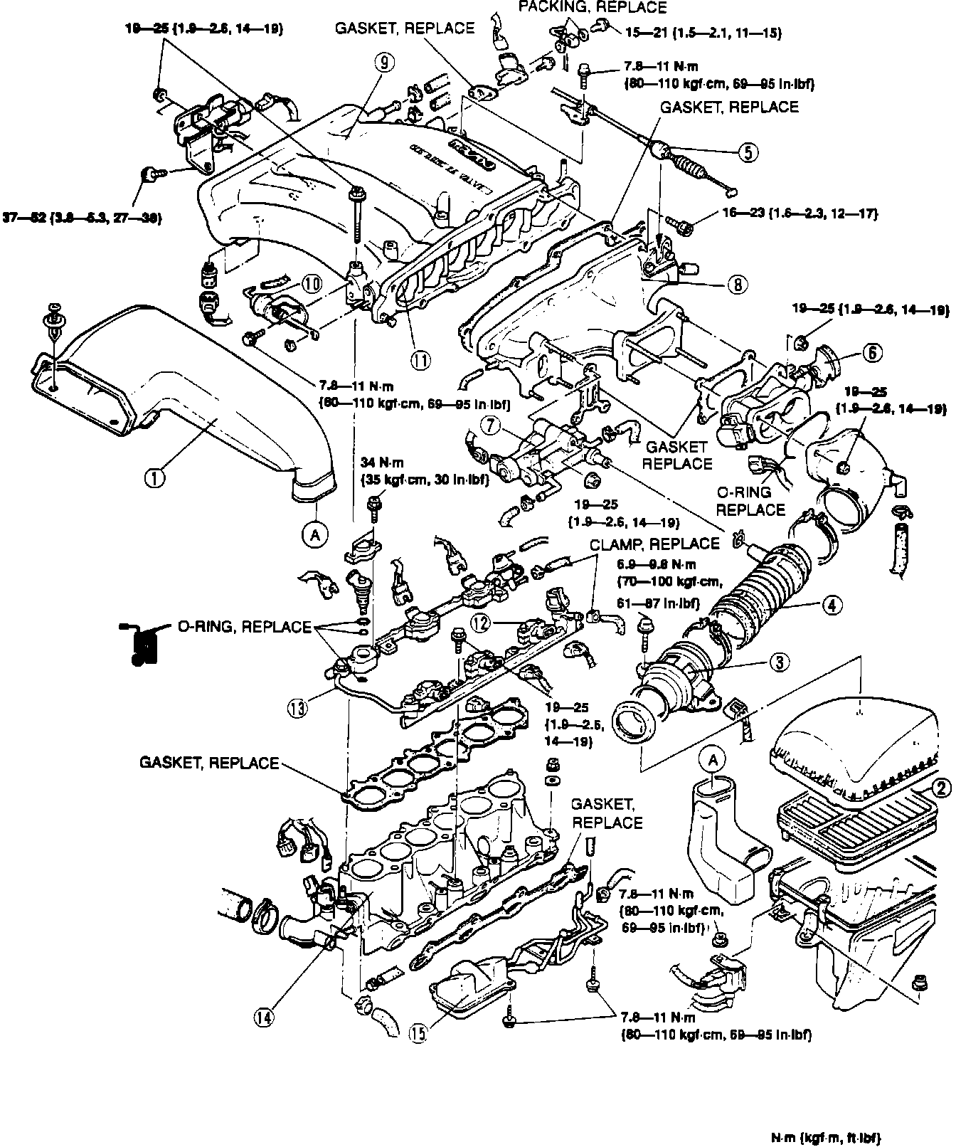
Intake Manifold: Service and Repair

Intake Air System R&R:






WARNING: Fuel vapor is hazardous. Keep sparks and flames away. Release fuel pressure before disconnecting lines.

1. Drain approximately 2.1 qt (2L) engine coolant.
2. Remove components in order shown.
3. Inspect parts and replace as needed.
4. Install in reverse order of removal. Always use new gaskets. Refer to INSTALLATION NOTE.
5. Refill coolant.

COMPONENTS

1. Air duct.
2. Air cleaner housing.
3. Volume air flow sensor.
4. Air hose.
5. Accelerator cable.
6. Throttle body.
7. BAC valve.
8. Air intake pipe.
9. Dynamic chamber.
10. Shutter valve actuator (VICS).
11. Shutter valve (VICS).
12. Injector.
13. Fuel distributor.
14. Intake manifold.
15. Vacuum chamber.

INSTALLATION NOTE

Intake Manifold Torque Sequence:





1. Install intake manifold washers with white paint mark upward.
2. Using sequence shown on image, tighten nuts to specification in two steps:

TORQUE: 14 - 19 ft.lb. (19 - 25 Nm)