Operation CHARM: Car repair manuals for everyone.
Manuals through 2025 now available!

Our trusted friends have launched a new website named LEMON, which has newer manuals. It also contains all the CHARM manuals.

LEMON is the spiritual successor to CHARM, I recommend you try it!

Link: lemon-manuals.la or lemon-manuals.org.ua

(Some people have issue connecting. LEMON is investigating. For now, use Firefox or change your DNS server)

Or, hide this message: temporarily or permanently

Disassembly

1. Remove engine mount bracket, Fig. 8.
2. Remove A/C compressor bracket and idler pulley.
3. Remove engine hanger and water inlet pipe.
4. Remove water bypass hose.
5. Remove spark plugs and spark plug wires.
6. Disconnect distributor connector and remove distributor.
7. Remove intake manifold.
8. Remove lefthand side exhaust manifold insulator, then exhaust manifold from cylinder block.
9. Remove oil dipstick, oil filter and filter spacer.
10. Remove oil pressure switch and knock sensor.
11. Holding driveplate in position with tool No. 49 E011 1A0, or equivalent, remove crankshaft pulley lockbolt.

Fig. 8 Auxiliary Component Disassembly:





12. Remove crankshaft pulley, timing belt cover and No. 2 idler pulley, Fig. 9.

Fig. 9 Timing Belt Disassembly:





13. Turn crankshaft to align timing marks, Fig. 10, then mark timing belt for proper rotation to ensure proper installation.

Fig. 10 Cam Pulley Mating Mark Alignment:





14. Remove timing belt auto tensioner, tensioner pulley and No. 1 idler pulley.
15. Remove timing belt pulley and crankshaft key.
16. Remove cylinder head covers, Fig. 11.

Fig. 11 Cylinder Head Disassembly:





17. Remove oil filler pipe.
18. Using an adjustable wrench to hold camshafts as shown in Fig. 12, remove camshaft pulley lock bolts.

Fig. 12 Camshaft Pulley Removal:





19. Remove camshaft pulleys, then loosen front cap bolts of lefthand side cylinder head.
20. Remove camshaft cap bolts in two to three steps using sequence shown in Fig. 13 and 14.

Fig. 13 Righthand Camshaft Cap Bolt Removal Sequence:





Fig. 14 Lefthand Camshaft Cap Bolt Removal Sequence:





21. Remove camshaft caps, camshaft oil seal, camshafts and rocker arms.
22. If necessary, remove Hydraulic Lash Adjusters (HLA) by hand.
23. Remove cylinder head bolts in five or six steps using sequence shown in Fig. 15, then the cylinder head and gasket.

Fig. 15 Cylinder Head Bolt Loosening Sequence:





24. Set valve spring lifter tool No. 49 0636 100A, and pivot tool No. 49 S120 222, or equivalents, against upper valve spring as shown in Fig. 16, then remove valve keepers.

Fig. 16 Valve Keeper Removal:





25. Remove upper valve spring seat, valve spring and lower valve spring seat.
26. Remove valves, ensuring to mark for position in engine.
27. Using suitable needle nose pliers, remove valve seals if necessary.
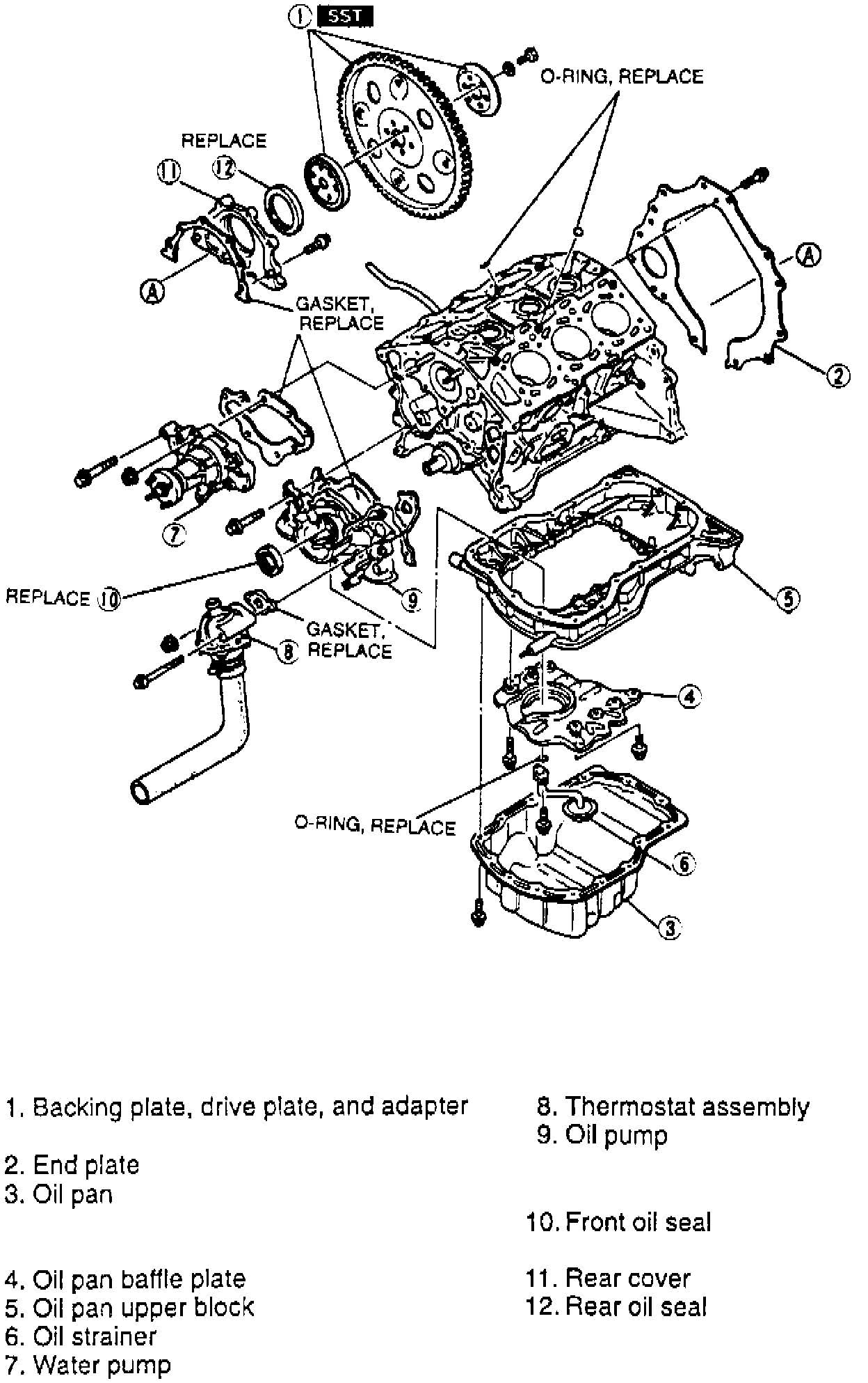
28. Remove backing plate, driveplate and adapter, Fig. 17.

Fig. 17 Cylinder Block External Component Removal:





29. Remove end plate.
30. Remove oil pan mounting bolts, then use a screwdriver to pry oil pan away from cylinder block.
31. Remove oil pan baffle plate, oil pan upper block and oil strainer.
32. Remove water pump and thermostat assembly.
33. Remove oil pump, then using a screwdriver remove front oil seal, ensuring not to damage seal.
34. Remove rear cover, then using a screwdriver remove rear oil seal, ensuring not to damage seal.
35. Using a dial indicator, measure connecting rod side clearance as shown in Fig. 18. If clearance exceeds 0.016 inch, replace rod and cap.

Fig. 18 Connecting Rod Side Clearance Measurement:





36. Remove connecting rod caps, Fig. 19.

Fig. 19 Cylinder Block Disassembly:





37. Remove lower connecting rod bearing.
38. Using handle of a hammer, remove piston and connecting rod assembly through top of cylinder block.
39. Mark connecting rod direction for proper assembly.
40. Check oscillation torque of piston and connecting rod as shown in Fig. 20. If large end does not drop by its own weight, replace piston pin.

Fig. 20 Checking Oscillation Of Piston & Connecting Rod:





41. Assemble special tools shown in Fig. 21, or equivalents, then attach tools to piston as shown in Fig. 22.

Fig. 21 Piston Pin Removal Tool Assembly:





Fig. 22 Piston Pin Removal Tool Position:





42. Mount piston and connecting rod assembly as shown in Fig. 23 and press piston pin out of piston.

Fig. 23 Pin Removal From Piston:





43. Using piston ring expander, remove piston ring.
44. Mount dial and measure crankshaft endplay as shown in Fig. 25. If endplay exceeds 0.0118 inch grind crankshaft and use an oversize thrust bearing or replace crankshaft and thrust bearing.

Fig. 24 Crankshaft Endplay Measurement:





45. Loosen main bearing cap bolts in two or three steps using sequence, Fig. 25.

Fig. 25 Main Bearing Cap Bolt Removal Sequence:





46. Remove main bearing cap.
47. Remove lower main bearing and lower thrust bearing.
48. Remove crankshaft.
49. Remove upper main bearing and upper thrust bearing.
50. Remove oil jet and oil baffle plate.