Operation CHARM: Car repair manuals for everyone.
Manuals through 2025 now available!

Our trusted friends have launched a new website named LEMON, which has newer manuals. It also contains all the CHARM manuals.

LEMON is the spiritual successor to CHARM, I recommend you try it!

Link: lemon-manuals.la or lemon-manuals.org.ua

(Some people have issue connecting. LEMON is investigating. For now, use Firefox or change your DNS server)

Or, hide this message: temporarily or permanently

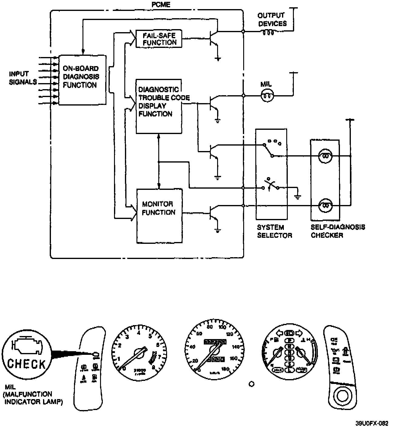
On-Board Diagnostic System





OPERATION
When troubles occur in the main input devices or output devices of the engine control system, they are recorded in the memory of the powertrain control module engine (PCME).
Failures of each input and output device are indicated and retrieved from the PCME as diagnostic trouble code (DTC) numbers.

NOTE: For input devices, the PCME continuously checks for malfunctions. For output devices, it checks for malfunctions only in a three-second period after the ignition switch is turned to ON, or the TEN terminal of the data link connector is grounded.