Operation CHARM: Car repair manuals for everyone.
Manuals through 2025 now available!

Our trusted friends have launched a new website named LEMON, which has newer manuals. It also contains all the CHARM manuals.

LEMON is the spiritual successor to CHARM, I recommend you try it!

Link: lemon-manuals.la or lemon-manuals.org.ua

(Some people have issue connecting. LEMON is investigating. For now, use Firefox or change your DNS server)

Or, hide this message: temporarily or permanently

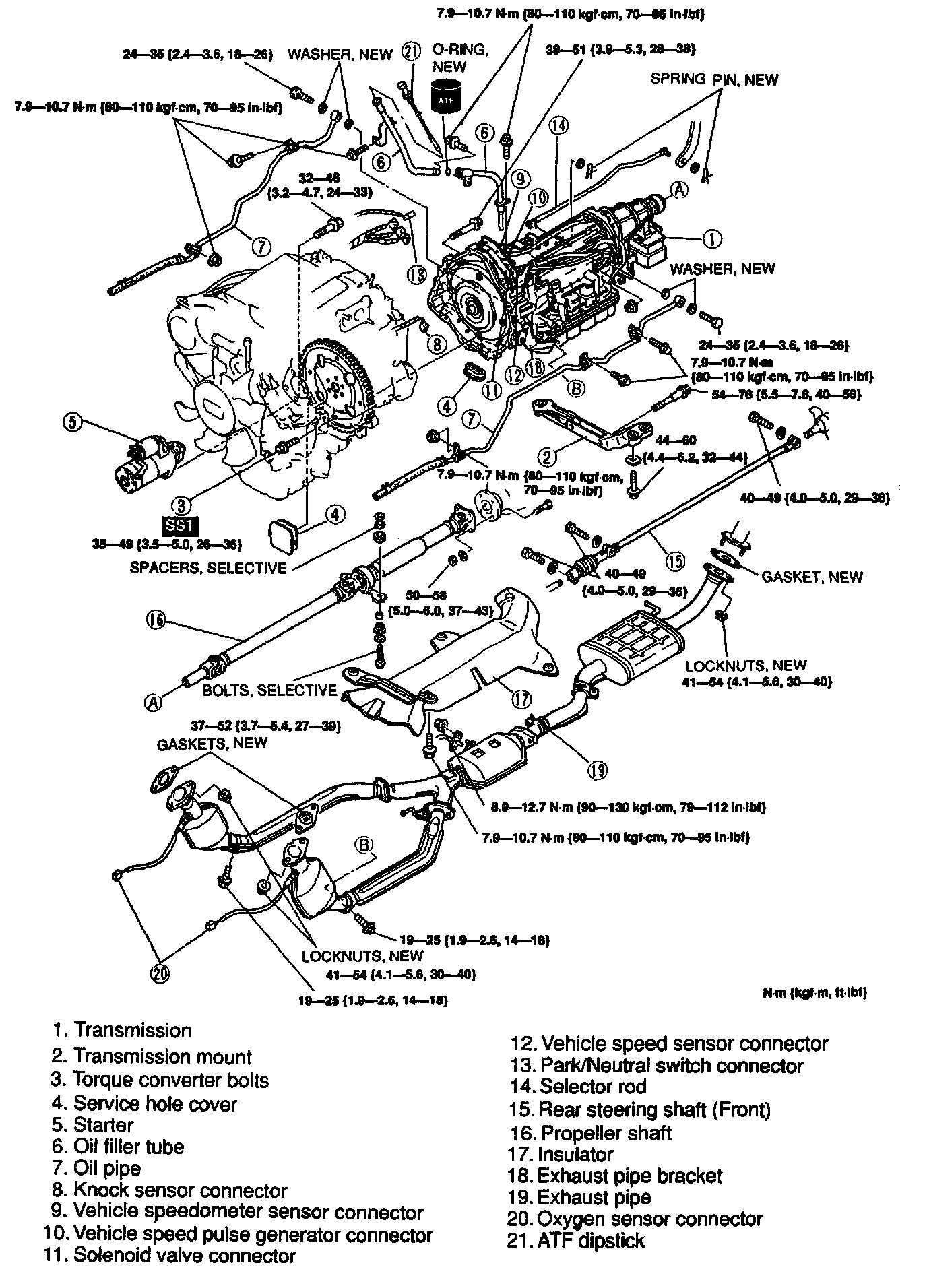
Transmission Unit Installation

INSTALLATION

Preparation
SST









1. Install in the order shown in the figure, referring to Installation Note.
2. Fill the transmission with the specified ATF after installation.
3. Connect the negative battery cable.
4. Inspect the park/neutral switch operation.
5. Inspect the selector lever operation.
6. Inspect for oil leakage from the transmission.
7. Adjust the rear steering angle transfer shaft.
8. Perform a road test.
9. Inspect the ATF level and condition.

Installation note
Transmission





1. Set the transmission onto the transmission jack, paying special attention not to damage the oil pipes.
Make sure that the torque converter side of the transmission is tilted slightly upward.
2. Mount the transmission to the engine.





3. Gradually tighten the mounting bolts.

Tightening torque: 38 - 51 N.m {3.8 - 5.3 kgf.m, 28 - 38 ft.lbf}





Transmission mount
1. Install the transmission mount and tighten the bolts B.

Tightening torque B: 44 - 60 N.m {4.4 - 6.2 kgf.m, 32 - 44 ft.lbf}

2. Loosely tighten nuts A.
3. Remove the transmission jack and the SST (engine support).
4. Tighten nuts A.

Tightening torque A: 54 - 76 N.m {5.5 - 7.8 kgf.m, 40 - 56 ft.lbf}





Torque converter bolts
1. Align the holes by turning torque converter.
2. Lock the drive plate by using a screwdriver.
3. Hand-tighten the torque converter mounting bolts in a crisscross pattern, and then tighten them to the specified torque by using the SST.

Tightening torque: 35 - 49 mm {3.5 - 5.0 kgf.m, 26 - 36 ft.lbf}





Selector rod
1. Install the selector rod.
2. Install the washer and a new spring pin as shown.