Operation CHARM: Car repair manuals for everyone.
Manuals through 2025 now available!

Our trusted friends have launched a new website named LEMON, which has newer manuals. It also contains all the CHARM manuals.

LEMON is the spiritual successor to CHARM, I recommend you try it!

Link: lemon-manuals.la or lemon-manuals.org.ua

(Some people have issue connecting. LEMON is investigating. For now, use Firefox or change your DNS server)

Or, hide this message: temporarily or permanently

Unit Assembly

ASSEMBLY

Preparation
SST





Precaution
1. If the drive plates or brake band is replaced with new one(s), soak them in ATF for at least 2 hours before installation.
2. Before assembly, apply ATF to all seal rings, rotating parts, O-rings, D-rings and sliding parts.
3. All O-rings, D-rings, seals, and gaskets must be replaced with new ones included in the overhaul kit.
4. Use petroleum jelly, not grease, during reassembly.
5. When it is necessary to replace a bushing, replace the subassembly that includes that bushing.
6. Assemble the housing within 10 minutes after applying sealant, and allow it to cure at least 30 minutes after assembly before filling the transmission with ATP.




Thrust washer, bearing, and bearing race locations





Outer diameter of bearing and race





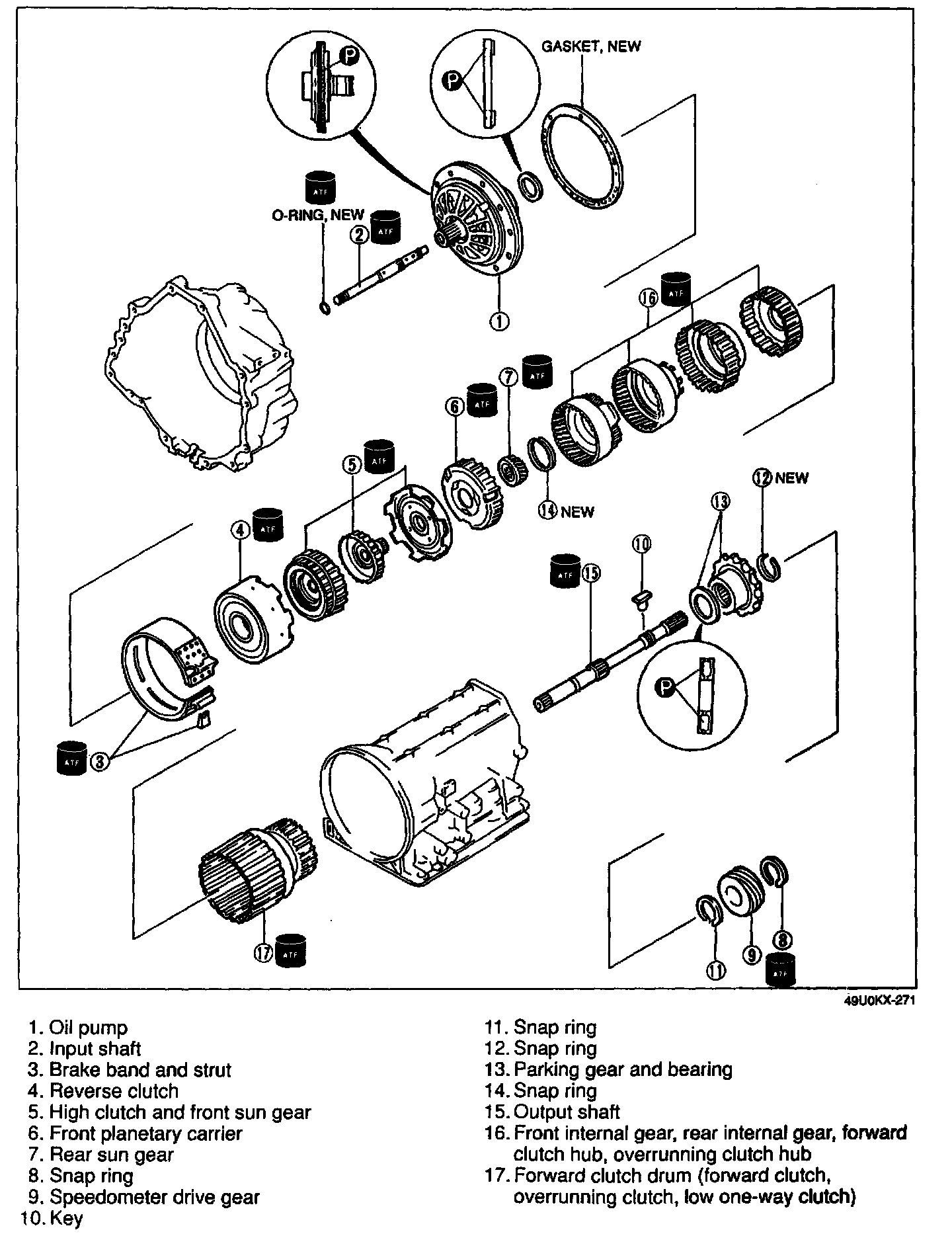
Components 1





Components 2





Components 3


Assembly procedure





1. Install the forward clutch drum while slowly turning it clockwise until its hub passes fully over the low one-way clutch inner race.





2. Verify that the forward clutch drum will turn only clockwise.





3. Verify that the bearing is installed on the rear of the overrunning clutch hub.
4. Install the overrunning clutch hub into the forward clutch drum.
5. Verify that the thrust washer is installed on the front of the overrunning clutch hub.





6. Install the rear internal gear and forward clutch hub assembly into the forward clutch drum.
7. Verify that the bearing is installed on the rear internal gear.





8. Measure the height difference between the forward clutch retaining plate and the top of the forward clutch hub.

Height: 2.0 - 3.0 mm {0.079 - 0.118 in} approx.





9. Verify that the bearing race is installed on the front internal gear (rear planetary carrier).
10. Install the front internal gear (rear planetary carrier) into the forward clutch assembly.





11. Insert the output shaft from the rear of the transmission case.





12. Push the output shaft slightly forward, and install a new snap ring on the shaft. Verify that the output shaft cannot be pulled from the rear of the transmission case.





13. Apply petroleum jelly to the bearing and install it to the transmission case with the black surface facing outward.

Bearing outer diameter: 64.0 mm {2.520 in}





14. Install the parking gear.
15. Pull the output shaft slightly back, and install a new snap ring on the shaft. Verify that the output shaft cannot be pulled from the front of the transmission case.





16. Install the front snap ring, key, and speedometer drive gear onto the output shaft.
17. Secure the speedometer drive gear with the rear snap ring.





18. Install a new gasket and the extension housing.

Bolt length (measured from below bolt head)
A: 30 mm {1.181 in}
B: 45 mm {1.772 in}


Tightening torque: 20 - 24 mm {2.0 - 2.5 kgf.m, 14 - 18 ft.lbf}





19. Install the rear sun gear into the rear planetary carrier with the oil grooves of the gear facing outward.





20. Apply petroleum jelly to the bearings and install them to the front planetary carrier. Install the rear bearing with the black surface facing outward.

Bearing outer diameter
Front: 78.0 mm {3.071 in}
Rear: 53.0 mm {2.087 in)






21. While rotating the forward clutch drum clockwise, install the front planetary carrier into the forward clutch drum.





22. Verify that the bearing race is installed on the front sun gear.
23. Install the reverse clutch, high clutch, and front sun gear assembly into the transmission case.
24. Verify that the bearing race is installed on the high clutch drum.
25. Adjust the total end play.





(1) Install a new oil pump gasket.





(2) Measure height A by using vernier calipers and a straightedge.





(3) Measure height B.





(4) Apply petroleum jelly to the bearing and install it on the oil pump.

Bearing outer diameter: 47.0 mm {1.860 in)





(5) Measure height C.
(6) Calculate the total end play by using the formula below.





Formula: T1 = A - B - C - 0.1 mm {0.0039 in)

T1: Total end play
A: Distance between front of transmission case and bearing race on the high clutch drum
B: Distance between front of transmission case and oil pump gasket
C: Distance between upper surface of oil pump bearing and oil pump gasket contact surface.
0.1 mm {0.0039 in}: Amount of compression of new oil pump gasket

Total end play: 0.25 - 0.55 mm {0.010 - 0.022 in}

7. If the total end play is not within specification, adjust it by selecting and installing the proper bearing race.




Bearing race size

26. Adjust the reverse clutch end play.





(1) Install the thrust washer on the reverse clutch.
(2) Measure height E by using vernier calipers and a straightedge.





(3) Measure height B.





(4) Measure height F.





(5) Calculate the reverse clutch end play by using the formula below.

Formula: T2 = E - B - F - 0.1 mm {0.0039 in)

T2: Reverse clutch end play
B: Distance between front of transmission case and oil pump gasket.
E: Distance between front of transmission case and thrust washer on the reverse clutch drum
F: Distance between reverse clutch thrust washer contact surface of oil pump and oil pump gasket contact surface
0.1 mm {0.0039 in}: Amount of compression of new oil pump gasket

Reverse clutch end play: 0.55 - 0.90 mm {0.022 - 0.035 in}

(6) If the reverse clutch end play is not within specification, adjust it by selecting and installing the proper thrust washer.




Thrust washer size





27. Apply ATF to the brake band and band strut, and install them into the transmission.





28. Temporarily install a new anchor end bolt.





29. Apply ATF to the input shaft and install it into the transmission case.





30. Apply petroleum jelly to the oil pump assembly as shown.





31. Install the oil pump assembly into the transmission case by hand only, using two converter housing bolts as guides.
Measure the height difference between the edge of the transmission case and the oil pump as shown.

Height: 1.0 mm {0.039 in) approx.





32. Apply ATF to a new O-ring, and install it into the input shaft.








33. Apply sealant lightly around the bolt holes as shown.
34. Remove the converter housing bolts used as guides.





35. Install the converter housing onto the transmission case, and tighten the bolts evenly in the order shown.

Tightening torque: 61 - 63 N.m {6.2 - 6.5 kgf.m, 45 - 47 ft.lbf}





36. Apply ATF to a new O-ring and install it onto the vehicle speed generator.
37. Install a new gasket and the vehicle speed pulse generator.
38. Install new bolts and tighten them.

Tightening torque: 5.0 - 6.8 N.m {50 - 70 kgf.cm, 44 - 60 in.lbf)

39. Adjust the brake band.





(1) Tighten the anchor end bolt.

Tightening torque: 4.0 - 5.8 N.m {40 - 60 kgf.cm, 35 - 52 in.lbf}





(2) Loosen the anchor end bolt 2.5 turns.
(3) Install the locknut.
(4) Hold the anchor end bolt and tighten the locknut.

Tightening torque: 32 - 42 N.m {3.2 - 4.3 kgf.m. 24 - 31 ft.lbf}





40. Apply ATF to a new O-ring and install it onto vehicle speed sensor 2.
41. Install vehicle speed sensor 2 into the extension housing.

Tightening torque: 5.0 - 6.8 N.m {50 - 70 kgf.cm, 44 - 60 in.lbf}





42. Apply ATF to a new O-ring and install it onto vehicle speed senor 1.
43. Install vehicle speed sensor 1 into the extension housing.

Tightening torque: 5.0 - 6.8 N.m {50 - 70 kgf.cm, 44 - 60 in.lbf}





44. Apply ATF to a new O-ring and install it onto the solenoid valve harness.
45. Install the solenoid valve harness into the transmission case.








46. Install the accumulator spring into the accumulator piston.


47. Connect the solenoid valve connectors.




48. Install the clip.





49. Verify that the manual valve and manual shaft are assembled correctly.





50. Install the valve body assembly, and tighten the bolts evenly.

Bolt length (measured from below bolt head)
A: 33 mm {1.299 in}
B: 45 mm {1.772 in}


Tightening torque: 6.9 - 8.8 N.m {70 - 90 kgf.cm, 61 - 78 in.lbf}





51. Apply ATF to a new O-ring and install it onto the oil strainer.
52. Install the oil strainer into the control valve body.

Bolt length (measured from below bolt head):
50 mm {1.969 in}


Tightening torque: 6.9 - 8.8 N.m {70 - 90 kgf.cm, 61 - 78 in.lbf}





53. Secure the solenoid valve harness with the clips.





54. Install the ATF thermosensor as shown in the figure.

Bolt length (measured from below bolt head): 45 mm {1.772 in}

Tightening torque: 6.9 - 8.8 N.m {70 - 90 kgf.cm, 61 - 78 in.lbf}





55. Connect the lockup solenoid valve connector.
56. Install the clip.





57. Remove any old locking compound from the bolt holes.
58. Set the magnet into the oil pan.
59. Install a new gasket and the oil pan, and tighten the bolts evenly and quickly.

Tightening torque: 6.9 - 8.8 N.m {70 - 90 kgf.cm, 61 - 78 in.lbf}





60. Install the connector brackets onto the extension housing.

Tightening torque: 7.9 - 11.7 N.m {80 - 120 kgf.cm, 69 - 104 in.lbf}

61. Install the harness onto the connector bracket.





62. Install and adjust the park/neutral switch.
(1) Verify that the manual shaft is positioned at the L position (fully forward).
(2) Install the part/neutral switch over the manual shaft and install new bolts.





(3) Turn the manual shaft fully rearward, then return it 2 notches (N range position).
(4) Insert a 4.0 mm {0.157 in} outer diameter pin through the holes of the park/neutral switch and the manual shaft lever.
(5) Tighten the park/neutral switch retaining bolts.

Tightening torque: 2.5 - 3.9 N.m {25 - 40 kgf.cm, 22 - 34 in.lbf}

(6) Remove the pin.

63. Remove the transmission from the SST. If the torque converter is completely empty, hold it upright, and fill it with 2.0 L {2.1 US qt, 1.8 Imp qt} of ATF.





64. Install the torque converter in the transmission while rotating it to align the splines.





65. Measure the installation depth of the torque converter by using vernier calipers and a straightedge.

Specification: 29.5 mm {1.161} min.