Operation CHARM: Car repair manuals for everyone.
Manuals through 2025 now available!

Our trusted friends have launched a new website named LEMON, which has newer manuals. It also contains all the CHARM manuals.

LEMON is the spiritual successor to CHARM, I recommend you try it!

Link: lemon-manuals.la or lemon-manuals.org.ua

(Some people have issue connecting. LEMON is investigating. For now, use Firefox or change your DNS server)

Or, hide this message: temporarily or permanently

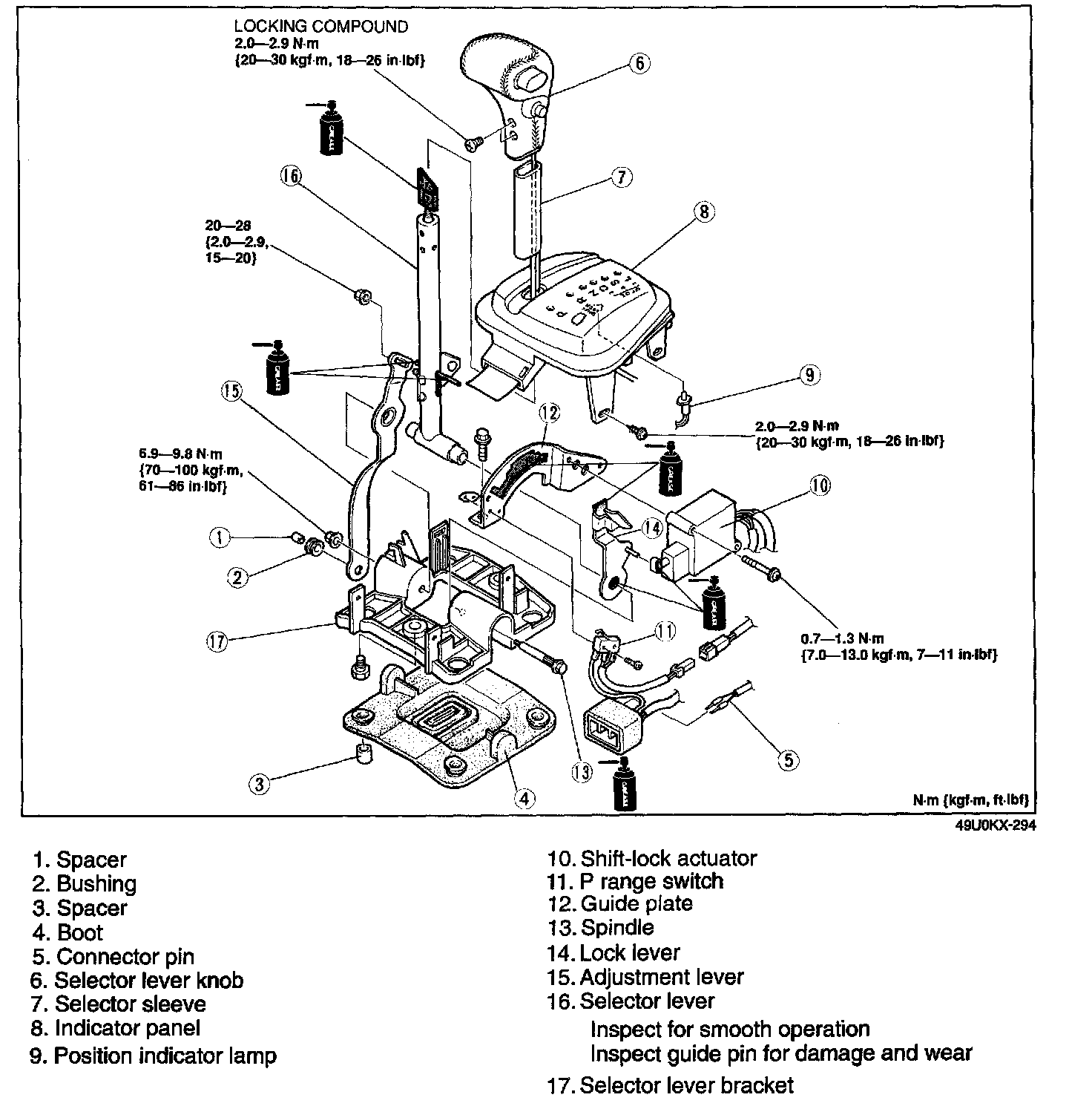
Selector Lever

Removal / Installation




1. Disconnect the negative battery cable.
2. Remove in the order shown in the figure, referring to Removal Note.
3. Install in the reverse order of removal, referring to Installation Note.
4. Connect the negative battery cable.
5. After installation, check the shift-lock, emergency override button, and key interlock operations.

Removal Note

Audio unit







1. Install the SST with the notches toward the inside.
2. Slide the audio out by using the SST.
3. Disconnect the connector and the antenna jack.

Spring pin




1. Shift the selector lever to N range.
2. Remove the spring pin and washer.
3. Remove the selector rod from the adjustment lever.

Installation Note

Spring pin




1. Shift the selector lever to N range.
2. Install the selector lever to adjustment lever.
3. Install the washer and new spring pin as shown.





4. Tighten the selector lever bolt.

Tightening torque: 20 - 28 N.m {2.0 - 2.9 kgf.m, 15 - 20 ft.lbf}

5. Verify that the positions of the selector lever and the range indicator are aligned.

Audio unit
1. Connect the connector and antenna jack.
2. Install the audio unit into the center panel.


Disassembly / Inspection / Assembly





NOTE: The P-range switch and adjustment lever do not need to be removed unless you are replacing them.

1. Disassemble in the order shown in the figure, referring to Disassembly Note.
2. Inspect all parts and repair or replace as necessary.
3. Assemble in the reverse order of disassembly, referring to Assembly Note.
4. If the adjustment lever locknut is loosened, adjust the selector lever after installation.

Disassembly Note

Connector pin




1. Insert a thin piece of metal from the terminal side of the connector, and press down the terminal locking top.
2. Pull the terminal out of the connector.

Selector lever knob




1. Remove the screws from selector lever knob.
2. Remove the selector lever knob and sleeve.

Spindle




1. Shift the selector lever to P range.
2. Secure the adjustment lever in a vise.
3. Remove the spindle nut.


Assembly Note

Spindle




1. Install the selector lever and spindle to the selector lever bracket.
2. Shift the selector lever to P range.
3. Place the adjustment lever in a vise and tighten the spindle nut.

Tightening torque: 6.9 - 9.8 N.m {70 - 100 kgf.cm, 61 - 86 in.lbf}





4. Verify that the overlap of the guide pin and the lock lever is within specification with the selector lever pushed forward.

Indicator panel




1. Install the selector sleeve and the selector lever knob to the selector lever.
2. Position the hold switch harness as shown.
3. Insert the connect pin to the connector.
4. Shift the selector lever to N range.





5. Align the alignment holes in the slider with the holes the indicator panel.
6. Install a suitable heavy-gauge wire to hold the slider.
7. Tighten the indicator screws.

Tightening torque: 2.0 - 2.9 mm {20 - 30 kgf.cm, 18 - 26 in.lbf}

8. Remove the wire.
9. Verify that the selector lever properly aligns with the indicator in each range.

Selector lever knob




1. Apply locking compound to the screws.
2. Tighten the screws.

Tightening torque: 2.0 - 2.9 N.m {20 - 30 kgf.cm, 18 - 26 in.lbf}