Operation CHARM: Car repair manuals for everyone.
Manuals through 2025 now available!

Our trusted friends have launched a new website named LEMON, which has newer manuals. It also contains all the CHARM manuals.

LEMON is the spiritual successor to CHARM, I recommend you try it!

Link: lemon-manuals.la or lemon-manuals.org.ua

(Some people have issue connecting. LEMON is investigating. For now, use Firefox or change your DNS server)

Or, hide this message: temporarily or permanently

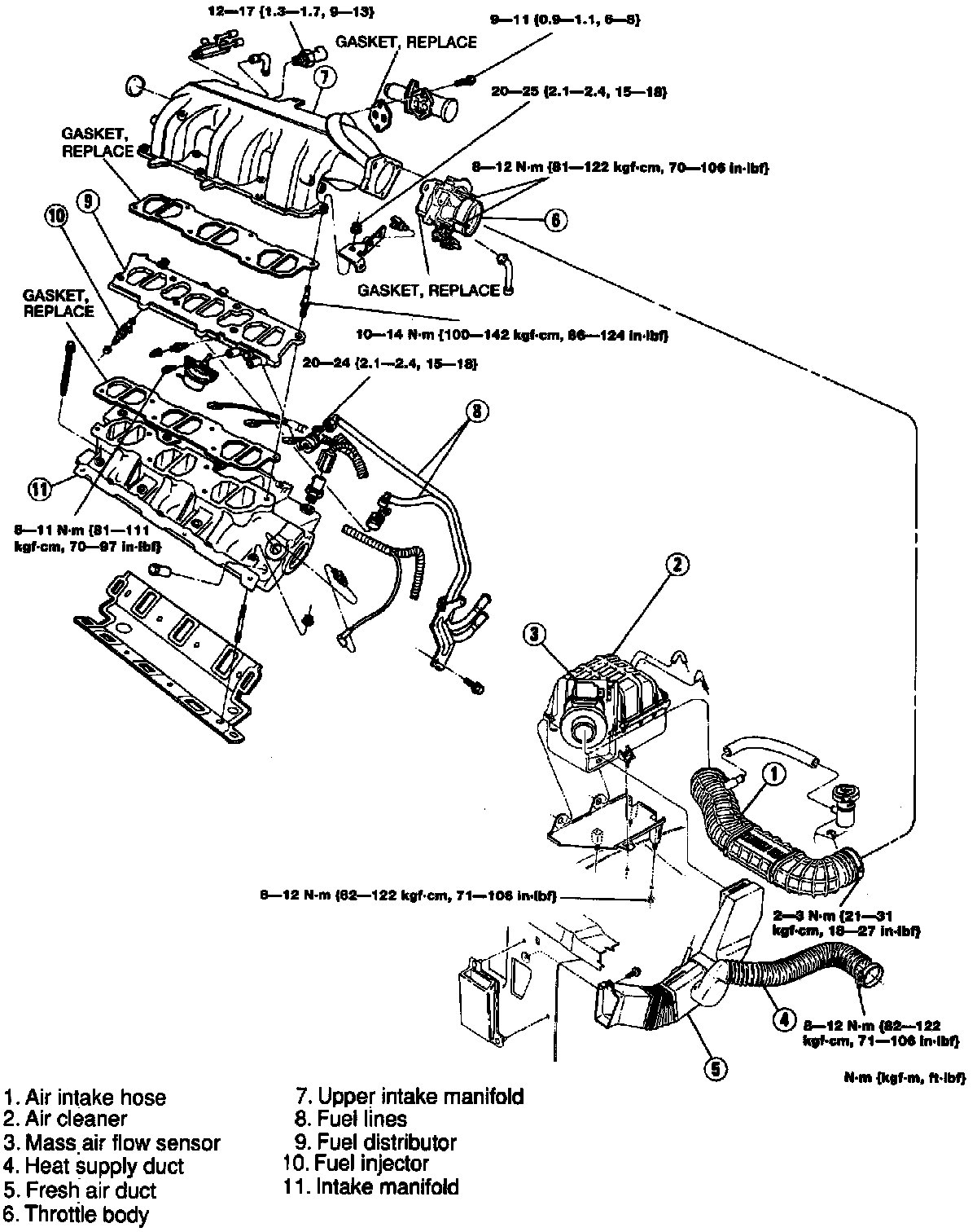
Torque Specifications

Intake:






Exhaust Manifold Torque Sequence:






Upper Engine:






Head Torque Sequence:




Tighten the new cylinder head bolts in the order shown in the figure.This head bolt torque procedure reflects the changes per TSB # E00196 dated FEB 96.

Tightening torque
1st Step 30-35 Nm (22-26 ft-lb)
2nd Step 70-75 Nm (52-56 ft-lb)
3rd Step Additional 90°


Valve Cover Torque Sequence:






Rocker Shaft Assemblies:






Timing Cover:






Timing Components:






Camshaft Bolt:






Vibration Dampner:






Timing Tensioner:






Crankshaft Bearing Caps:





Tighten the five bolts and the three studs in pairs in two steps:
1) Tighten to 35 Nm (25 ft. lbs.).
2) Tighten an additional 57 degrees.


Connecting Rod Nuts:





1) Tighten the nuts in pairs.


Oil Baffle:






Oil Pump Bolts:






Oil Filter Adapter:






Oil Pan:






Flex Plate (A/T) Torque/Sequence:






Flywheel (M/T) Torque/Sequence: