Operation CHARM: Car repair manuals for everyone.
Manuals through 2025 now available!

Our trusted friends have launched a new website named LEMON, which has newer manuals. It also contains all the CHARM manuals.

LEMON is the spiritual successor to CHARM, I recommend you try it!

Link: lemon-manuals.la or lemon-manuals.org.ua

(Some people have issue connecting. LEMON is investigating. For now, use Firefox or change your DNS server)

Or, hide this message: temporarily or permanently

Torque Specifications

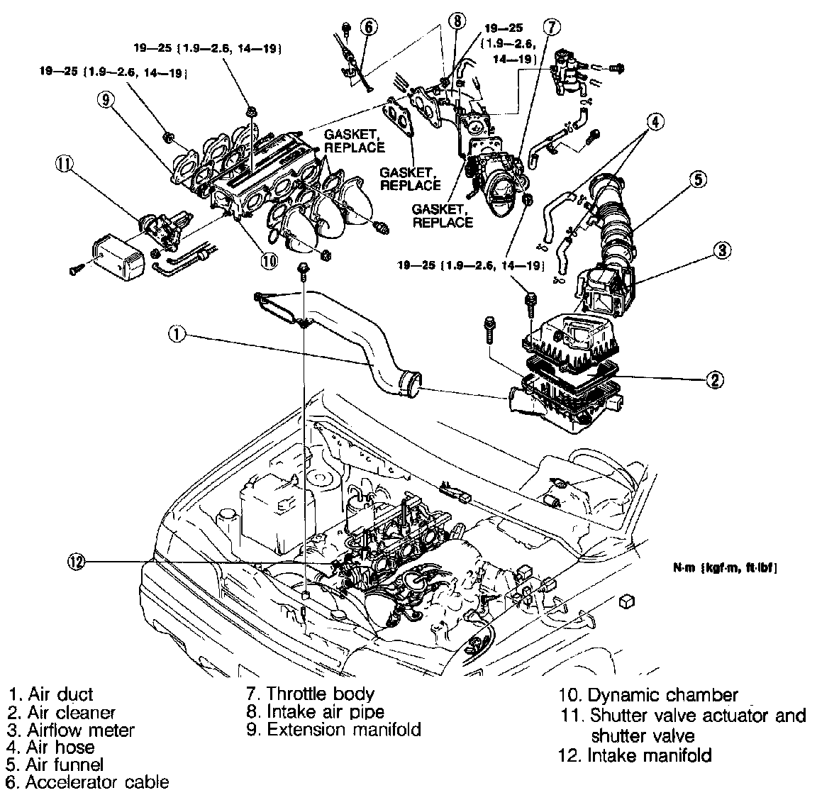
Intake:






Intake Manifold:






Exhaust Manifold:






Extension Manifold:






Torque Specs Exploded View:






Upper Engine:






Before installation, measure each bolt length. Replace if necessary.

Length IN: 107.7 - 108.3mm (4.25 - 4.26 in)
EX: 137.7 - 138.3mm (5.43 - 5.44 in)
Maximum IN: 109mm (4.29 in)
EX: 139mm (5.47 in)

Apply engine oil to the threads and the seat face of each bolt.

Head Bolt Torque/Sequence:






Tighten the bolts in the order shown in the figure.
1. 17.2-22.0 Nm (12.7 - 16.2 ft-lb)
2. Tighten each bolt by turning another 85° - 95°
3. Further tighten each bolt by turning another 85° - 95°



Rocker Arm Assembly Torque/Sequence:






Timing Components:






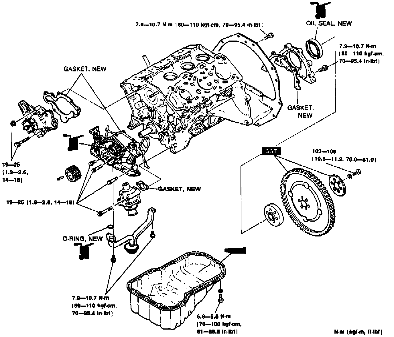
Lower Engine:






Main Bolt Torque/Sequence:






External Parts: