Operation CHARM: Car repair manuals for everyone.
Manuals through 2025 now available!

Our trusted friends have launched a new website named LEMON, which has newer manuals. It also contains all the CHARM manuals.

LEMON is the spiritual successor to CHARM, I recommend you try it!

Link: lemon-manuals.la or lemon-manuals.org.ua

(Some people have issue connecting. LEMON is investigating. For now, use Firefox or change your DNS server)

Or, hide this message: temporarily or permanently

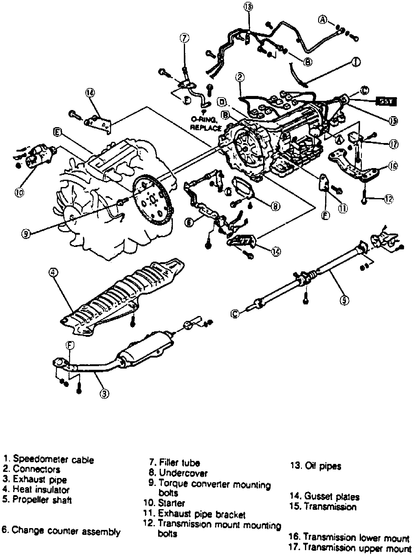
Automatic Transmission/Transaxle: Service and Repair

1. Disconnect battery ground cable.
2. Raise and support vehicle.
3. Loosen oil pan attaching bolts and drain fluid into a suitable container, Fig. 17 and 18.
4. Remove speedometer cable, then disconnect all electrical connectors.
5. Disconnect exhaust pipe and remove heat insulator.
6. Make alignment marks to propeller shaft, then remove shaft and filler tube.
7. Remove undercover, then the torque converter mounting bolts.
8. Remove starter, then the exhaust pipe bracket.
9. Remove transmission to mount bolts, then the oil pipes.
10. Remove gusset plates, then the transmission to engine attaching bolts.
11. Remove upper and lower mounts, then the transmission assembly.
12. Reverse procedure to install, noting the following:
a. Torque upper and lower transmission mounts to 35 - 45 ft.lb.
b. Torque engine to transmission attaching bolts to 27 - 38 ft.lb.
c. Torque torque converter bolts to 27 - 40 ft.lb.
d. Torque undercover attaching bolts to 69 - 95 in.lb.
e. Align marks on propeller shaft.

Fig. 17 Transmission Replacement:





Fig. 18 Transmission Replacement: