Disassembly
1. With engine on a suitable workstand, remove the following components from the engine:a. Distributor and high-tension lead.
b. Front and rear engine hangers.
c. Thermostat, thermostat cover and water outlet.
d. Intake manifold assembly.
e. Alternator, alternator bracket and strap.
f. Power steering oil pump bracket.
g. Oil filter, oil cooler and oil pressure switch.
h. A/C and power steering idler brackets.
Fig. 2 Exploded View Of Cylinder Head:
2. Refer to Fig. 2 and remove components from cylinder head in order indicated, noting the following:
a. Before removing rocker arm and rocker shaft assembly, place suitable hydraulic lash adjuster holder in position to prevent adjuster from falling.
b. When removing rocker arm and shaft assembly, do not take rocker arm shaft bolts out of shaft.
Fig. 3 Exploded View Of Water Pump Crankshaft Pulley & Oil Pan:
3. Refer to Fig. 3 and remove components from engine in the order indicated. Before removing the crankshaft pulley, install ring gear brake tool No. 49E301060 or equivalent against the flywheel on vehicles with manual transmissions, or against the driveplate on vehicles with automatic transmissions.
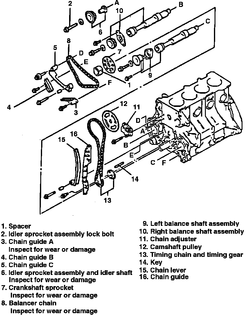
Fig. 4 Exploded View Of Balancer Chain And Timing Chain:
4. Refer to Fig. 4 and remove balancer and timing chains as indicated, noting the following:
a. Loosen the idler sprocket assembly lock bolt, before removing the chain guides.
b. When removing left and right balance shaft assemblies be very careful not to damage the balance shaft journals and bushings.
c. Mark balance shafts for assembly reference.
Fig. 5 Exploded View Of Cylinder Block Assembly:
Fig. 6 Measuring Connecting Rod Side Clearance:
Fig. 7 Measuring Crankpin Oil Clearance:
Fig. 8 Measuring Crankshaft Endplay:
Fig. 9 Checking Piston Oscillation Torque:
5. Refer to Fig. 5 and remove in order indicated, noting the following:
a. Before removing the connecting rod, clean the bearing, connecting rod and crankpin. Then measure the following; connecting rod side clearance Fig. 6.; crankpin oil clearance Fig. 7.
b. Before removing main bearing caps, clean the bearings, main journals and caps. Measure crankshaft endplay Fig. 8.
c. Remove pilot bearing with tool No. 491285071 or equivalent.
d. Before disassembling piston and connecting rod, check the oscillation torque as shown in Fig. 9. If the large end does not drop by its own weight, replace the piston or the piston pin.