Operation CHARM: Car repair manuals for everyone.
Manuals through 2025 now available!

Our trusted friends have launched a new website named LEMON, which has newer manuals. It also contains all the CHARM manuals.

LEMON is the spiritual successor to CHARM, I recommend you try it!

Link: lemon-manuals.la or lemon-manuals.org.ua

(Some people have issue connecting. LEMON is investigating. For now, use Firefox or change your DNS server)

Or, hide this message: temporarily or permanently

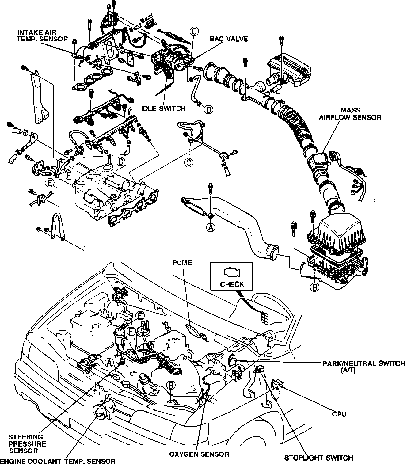
Air Flow Meter/Sensor: Description and Operation

Idle Speed Control System:






PURPOSE
Measures volume and mass of intake air and provides signal to PCME. Unlike sensors measuring only volume, this sensor measures actual mass per unit time of air entering the engine. It is a more accurate measurement because any given volume contains different quantities of air depending on density.

LOCATION
Left side engine compartment, in intake air hose to air cleaner.

OPERATION
Sensor converts amount of intake air into an electric signal by using the heat transfer phenomenon between incoming air and a heated resistor (wire).

A wire filament located in the intake air flow is electrically heated. Air flow cools the wire and more current is required to maintain PCME programmed reference temperature. PCME measures current flow required to maintain temperature to calculate mass of air entering engine.