Operation CHARM: Car repair manuals for everyone.
Manuals through 2025 now available!

Our trusted friends have launched a new website named LEMON, which has newer manuals. It also contains all the CHARM manuals.

LEMON is the spiritual successor to CHARM, I recommend you try it!

Link: lemon-manuals.la or lemon-manuals.org.ua

(Some people have issue connecting. LEMON is investigating. For now, use Firefox or change your DNS server)

Or, hide this message: temporarily or permanently

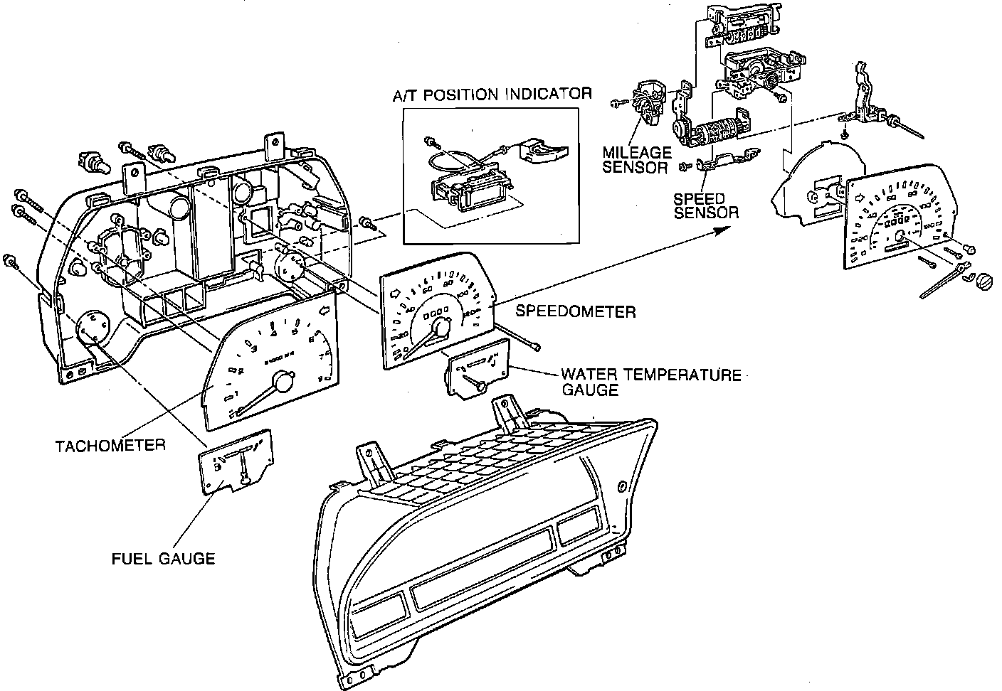
Vehicle Speed Sensor: Description and Operation

Vehicle Speed Sensor:






The vehicle speed sensor, located in the speedometer head assembly, consists of a contact set and magnet that turns with the speedometer cable. Magnet movement causes the contacts to alternately open and close four times per cable revolution. The frequency of the on-off signal from the sensor is used to calculate the vehicle road speed, and influences the following outputs:

Fuel injection quantity
Idle speed control
Ignition timing control