Operation CHARM: Car repair manuals for everyone.
Manuals through 2025 now available!

Our trusted friends have launched a new website named LEMON, which has newer manuals. It also contains all the CHARM manuals.

LEMON is the spiritual successor to CHARM, I recommend you try it!

Link: lemon-manuals.la or lemon-manuals.org.ua

(Some people have issue connecting. LEMON is investigating. For now, use Firefox or change your DNS server)

Or, hide this message: temporarily or permanently

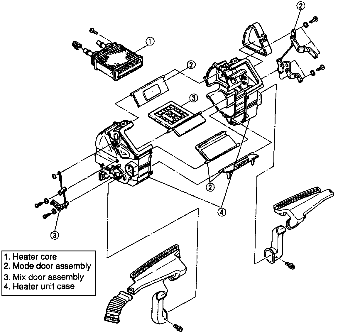
Disassembly / Assembly

Disassembly / Assembly




1. Disassemble in the order shown in the figure.
2. Check for the following and repair or replace the heater core as necessary.
- Cracks, damage, and water leakage
- Bent fins
- Distorted and bent inlet
3. Assemble in the reverse order of disassembly.