Operation CHARM: Car repair manuals for everyone.
Manuals through 2025 now available!

Our trusted friends have launched a new website named LEMON, which has newer manuals. It also contains all the CHARM manuals.

LEMON is the spiritual successor to CHARM, I recommend you try it!

Link: lemon-manuals.la or lemon-manuals.org.ua

(Some people have issue connecting. LEMON is investigating. For now, use Firefox or change your DNS server)

Or, hide this message: temporarily or permanently

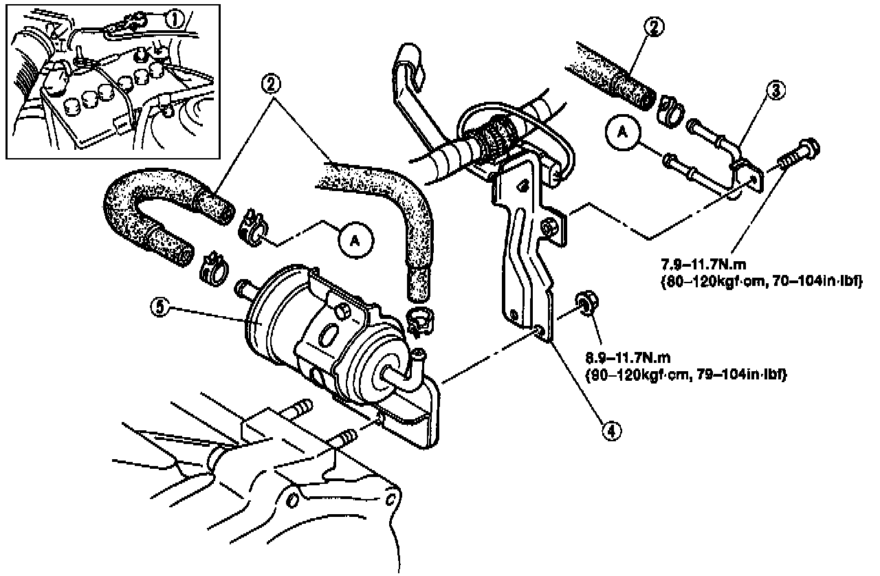
Fuel Filter: Service and Repair

NOTE: The fuel filter must be replaced at the intervals outlined in the maintenance schedule.

WARNING: Fuel line spills and leaks are dangerous. Fuel can ignite and cause serious injuries or death and damage. Fuel can also irritate skin and eyes. To prevent this, always complete the "Fuel Line Safety Procedures". Technician Safety Information


Numbers Indicate Sequence Of Removal:





HIGH-PRESSURE SIDE
Removal
Remove components in the order shown in figure.
1. Negative battery cable
2. Fuel hoses
3. Fuel pipe
4. Bracket
5. Fuel filter (High-pressure side)

Installation
Install in the reverse order of removal.
- Verify that the fuel hoses are pushed fully onto the fuel filter nozzles.
- Tighten fuel filter bracket nuts to: 8.9 - 11.7 Nm (79 - 104 in.lb.)
- Tighten fuel pipe mounting bolt to: 7.9 - 11.7 Nm (70 - 104 in.lb.)

LOW PRESSURE SIDE
The low pressure side fuel filter is mounted on the in-tank fuel pump assembly and is therefore serviced with the fuel pump removed.
Refer to Fuel Pump/ Removal/Installation, for further information. Service and Repair