Operation CHARM: Car repair manuals for everyone.
Manuals through 2025 now available!

Our trusted friends have launched a new website named LEMON, which has newer manuals. It also contains all the CHARM manuals.

LEMON is the spiritual successor to CHARM, I recommend you try it!

Link: lemon-manuals.la or lemon-manuals.org.ua

(Some people have issue connecting. LEMON is investigating. For now, use Firefox or change your DNS server)

Or, hide this message: temporarily or permanently

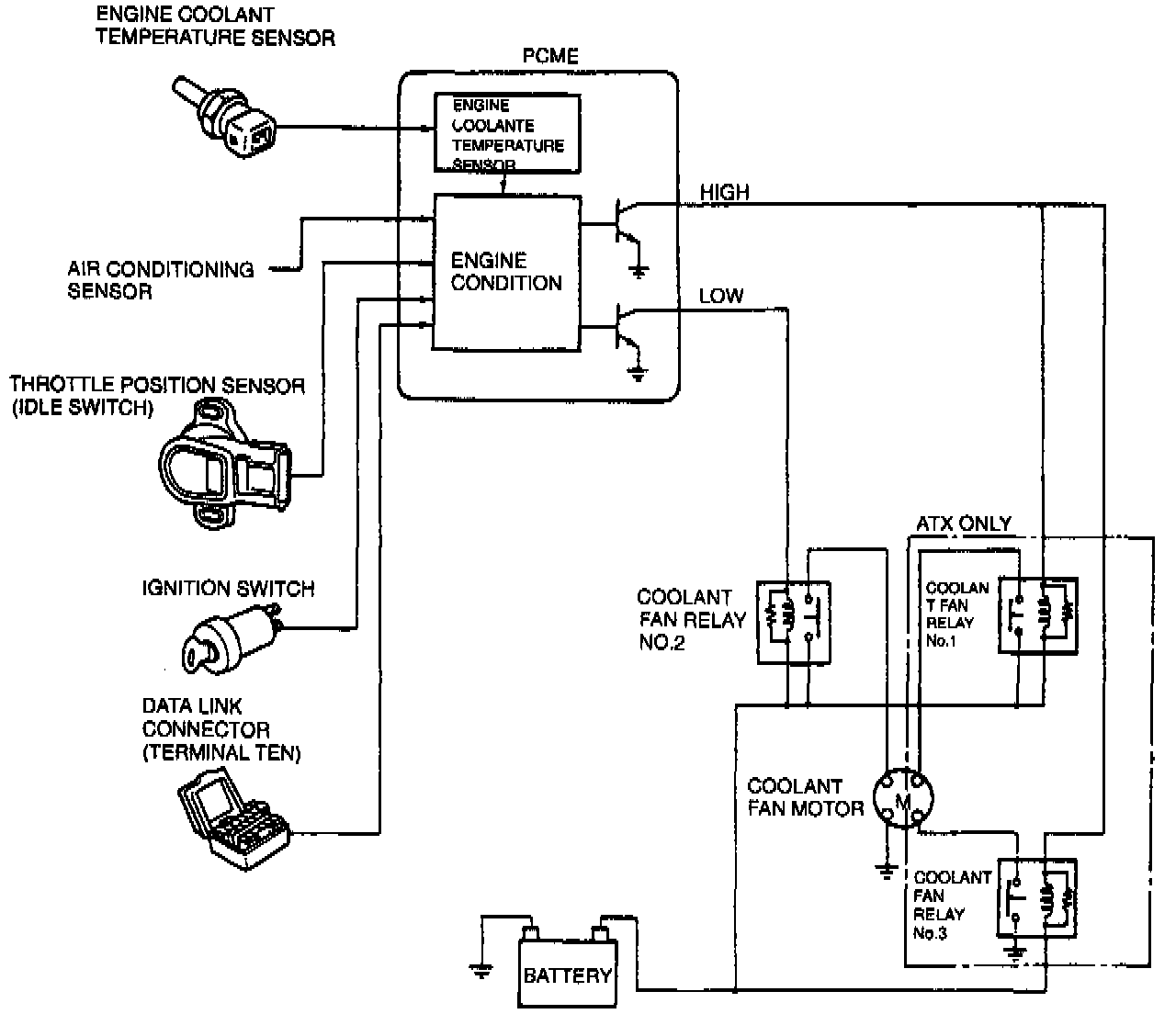
Coolant Fan Control System

PURPOSE
To improve engine reliability, the electric (radiator) coolant fan is controlled by the powertrain control module engine (PCME).


Fig.2 Coolant Fan Control System Operating Conditions:





OPERATION
The system employs a LOW/HIGH (2 speed) control of the coolant fan. The coolant fan controls operate under the conditions shown in Fig.2.


View: Coolant Fan And Condenser Fan Control System:





CONSTRUCTION
The system consists of a 2 speed coolant fan motor, three coolant fan relays, PCME, and various PCME input devices.