Operation CHARM: Car repair manuals for everyone.
Manuals through 2025 now available!

Our trusted friends have launched a new website named LEMON, which has newer manuals. It also contains all the CHARM manuals.

LEMON is the spiritual successor to CHARM, I recommend you try it!

Link: lemon-manuals.la or lemon-manuals.org.ua

(Some people have issue connecting. LEMON is investigating. For now, use Firefox or change your DNS server)

Or, hide this message: temporarily or permanently

Condenser Fan Control Test

SYSTEM INSPECTION


Use A Suitable Jumper Wire:





1. Connect the data link connector terminals TEN and GND with a jumper wire.
2. Turn the ignition switch ON.


Rotate Throttle By Hand:





3. Rotate the throttle link by hand and verify that the coolant fan operates.


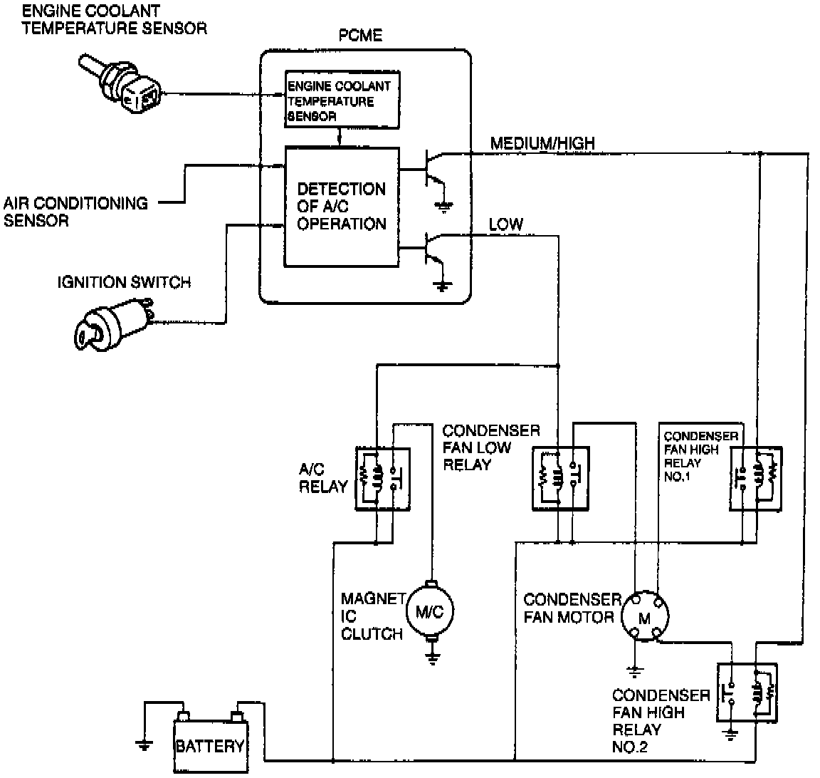
SYSTEM OVERVIEW


View: Condenser Fan Control System (A/C Equipped):





System/Component Relational Diagram


Fig.3 Condenser Fan Control System Operating Conditions:





System Operation Chart