Operation CHARM: Car repair manuals for everyone.
Manuals through 2025 now available!

Our trusted friends have launched a new website named LEMON, which has newer manuals. It also contains all the CHARM manuals.

LEMON is the spiritual successor to CHARM, I recommend you try it!

Link: lemon-manuals.la or lemon-manuals.org.ua

(Some people have issue connecting. LEMON is investigating. For now, use Firefox or change your DNS server)

Or, hide this message: temporarily or permanently

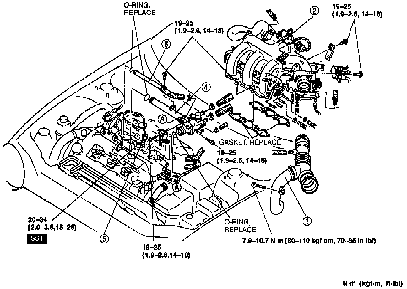
Knock Sensor: Service and Repair

WARNING: Fuel line spills and leaks are dangerous. Fuel can ignite and cause serious injuries and damage. Always release fuel pressure before disconnecting fuel lines.


View: Knock Sensor Removal/Installation Sequence:





COMPONENTS
1. Air hose.
2. Intake manifold.
3. Bypass pipe.
4. Water pipe.
5. Knock sensor.

REMOVAL
1. Drain coolant to below level of intake manifold.
2. Remove components according to numbered sequence shown in image.
3. Visually inspect fuel related components and repair or replace as necessary.


Knock Sensor Removal Tool:





4. Use the special service tool (SST) or equivalent to remove and replace knock sensor.

INSTALLATION
1. Install in reverse order of removal, referring to numbered sequence in image. Use new gaskets and O-rings as indicated.