Operation CHARM: Car repair manuals for everyone.
Manuals through 2025 now available!

Our trusted friends have launched a new website named LEMON, which has newer manuals. It also contains all the CHARM manuals.

LEMON is the spiritual successor to CHARM, I recommend you try it!

Link: lemon-manuals.la or lemon-manuals.org.ua

(Some people have issue connecting. LEMON is investigating. For now, use Firefox or change your DNS server)

Or, hide this message: temporarily or permanently

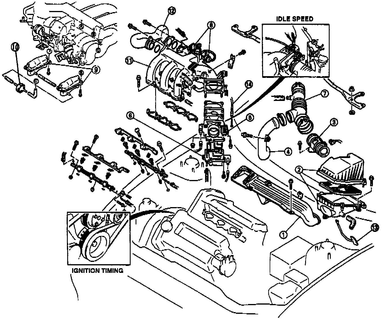
Component Locations

View: Components 1 Through 14:





1. Fresh-air duct
2. Air cleaner housing
3. Volume airflow sensor
4. Resonance duct
5. Throttle body
6. By-pass air control (BAC) valve assembly
7. Air intake hose
8. Variable resonance induction system (VRIS) shutter valve actuator
9. Vacuum chamber
10. Check valve
11. Intake manifold
12. Air intake pipe
13. Accelerator pedal
14. Accelerator cable


View: Components 15 Through 22:





15. Main silencer
16. Pre-silencer
17. Three-way catalyst
18. Front pipe
19. Insulator
20. Exhaust manifold
21. EGR pipe
22. Warm-up three-way catalyst