Operation CHARM: Car repair manuals for everyone.
Manuals through 2025 now available!

Our trusted friends have launched a new website named LEMON, which has newer manuals. It also contains all the CHARM manuals.

LEMON is the spiritual successor to CHARM, I recommend you try it!

Link: lemon-manuals.la or lemon-manuals.org.ua

(Some people have issue connecting. LEMON is investigating. For now, use Firefox or change your DNS server)

Or, hide this message: temporarily or permanently

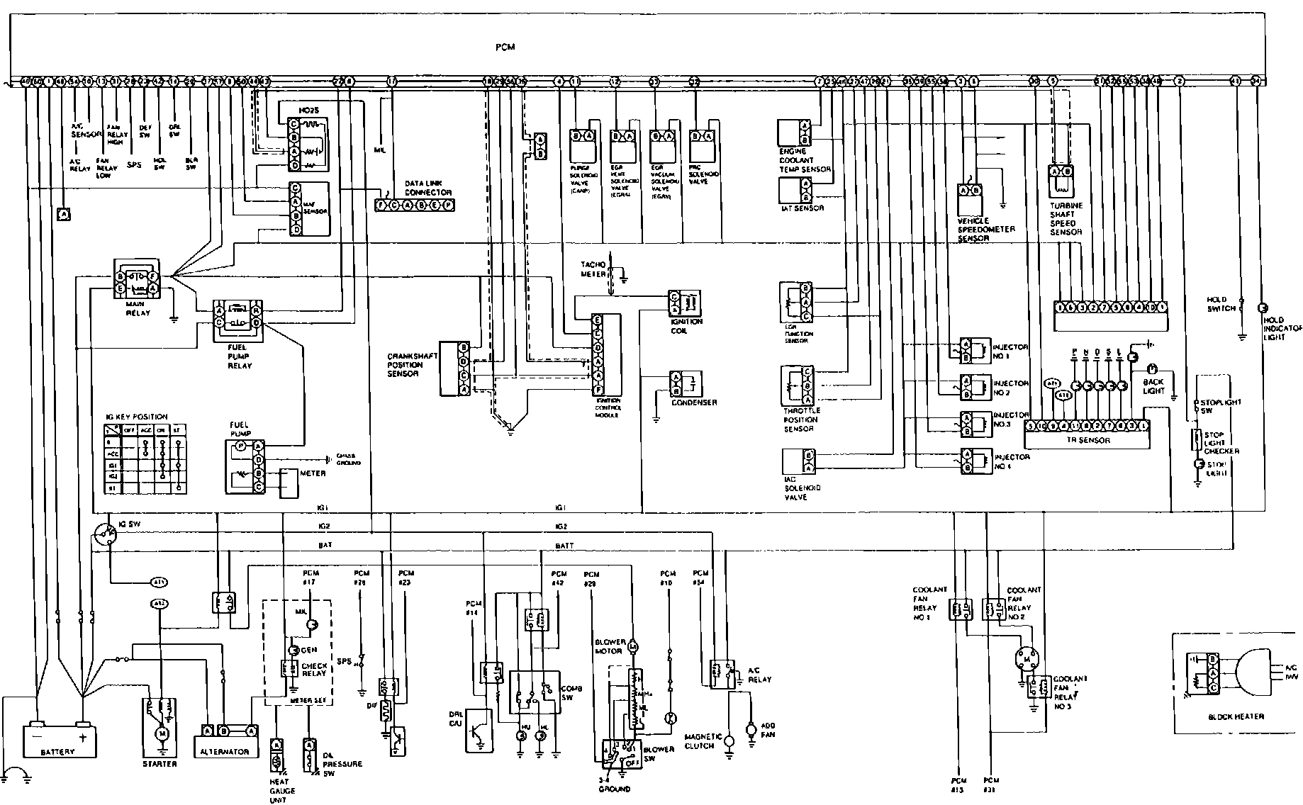
Automatic Transaxle

Wiring Diagram:






PURPOSE
The ignition control module (ICM) is a PCME controlled switch regulating current flow through the coil primary circuit.

LOCATION
Engine compartment, left side fender well.

OPERATION
When a spark signal is received from the PCME, the ICM interrupts current flow through the coil primary windings to induce high voltage needed to fire spark plugs. Except for initial setting, timing is PCME controlled.