Operation CHARM: Car repair manuals for everyone.
Manuals through 2025 now available!

Our trusted friends have launched a new website named LEMON, which has newer manuals. It also contains all the CHARM manuals.

LEMON is the spiritual successor to CHARM, I recommend you try it!

Link: lemon-manuals.la or lemon-manuals.org.ua

(Some people have issue connecting. LEMON is investigating. For now, use Firefox or change your DNS server)

Or, hide this message: temporarily or permanently

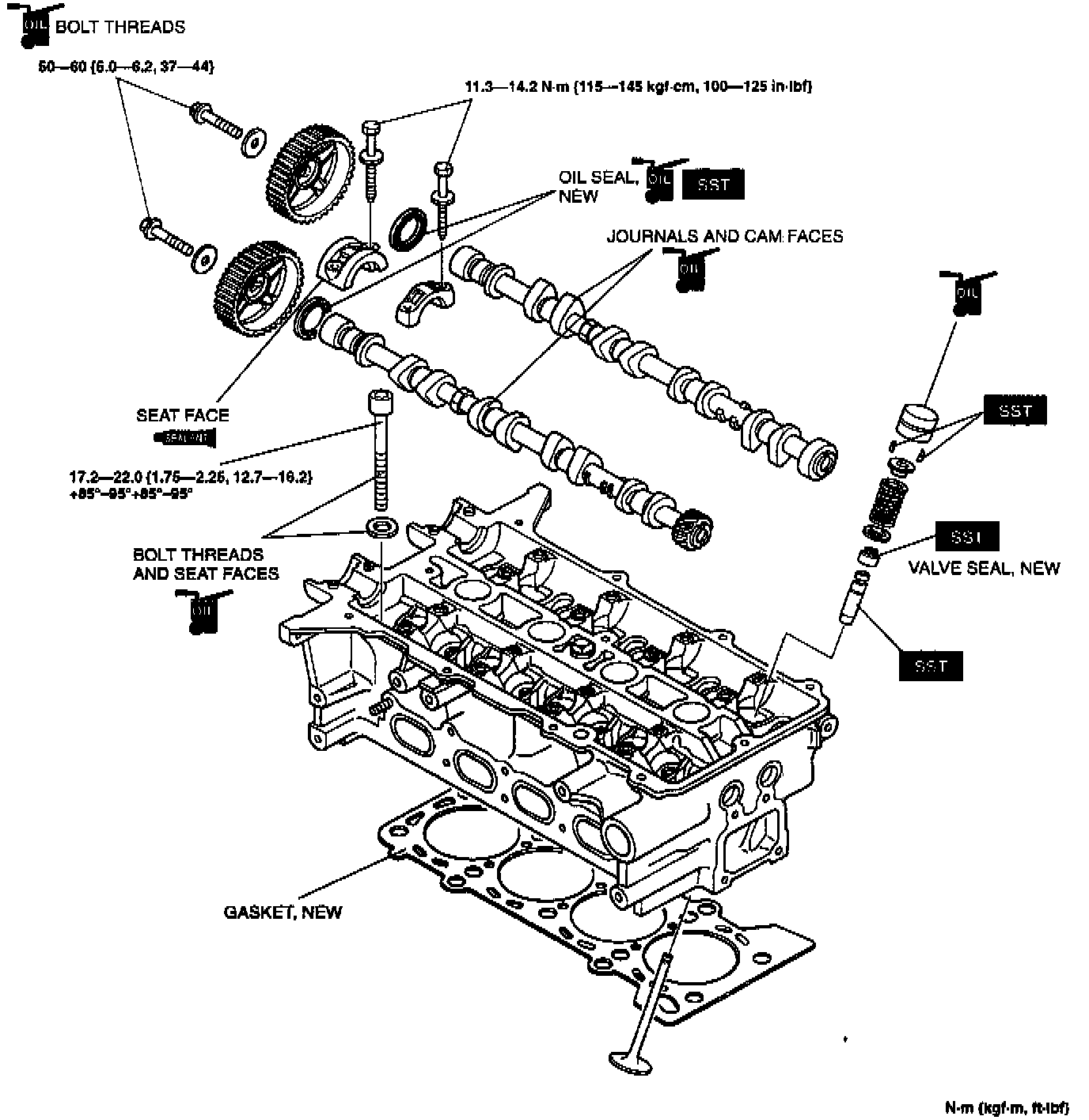
Torque Specifications

Intake (MTX):






Intake (ATX):
















Upper Engine:






Cam Cap Torque/Sequence:






Head Torque Sequence:




Tighten the cylinder head bolts in two or three steps in the order shown.
Tightening torque:
17.2-22.0 N.m (12.7-16.2 ft-lb)
Put a paint mark on each bolt head.
Use this mark as a reference, tighten the bolts 85°-95° in the order shown.
Further tighten each bolt another 85°-95°


Timing Components:












Lower Engine:






Main Bolt Torque/Sequence:






Upper Oil Pan: